- Partiron
- OEM Parts
- Yamaha
- motorcycle
- 1979
- DT250F (DT250F) 1979
SHIFT CAM - FORK
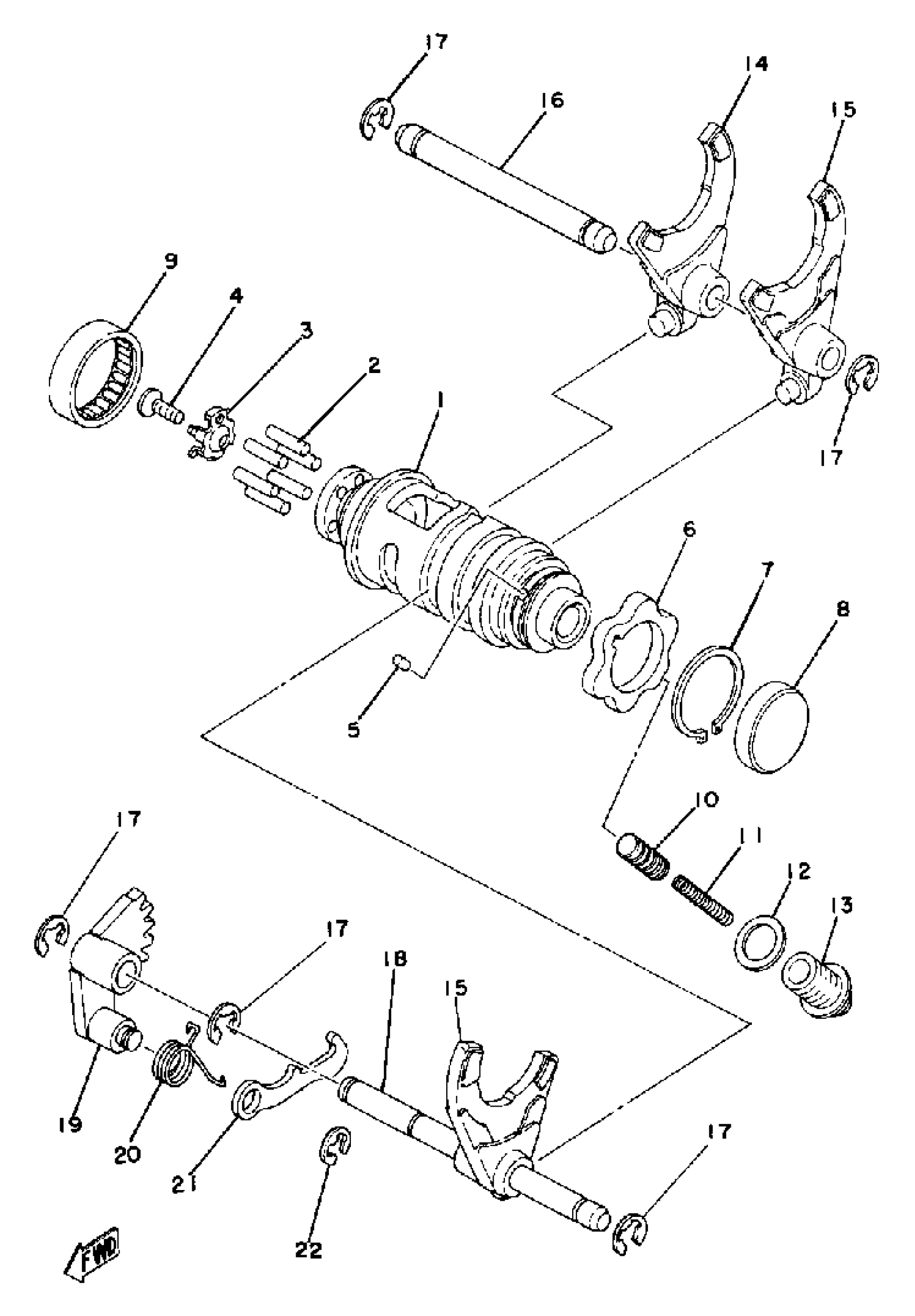
Yamaha DT250F (DT250F) 1979 SHIFT CAM - FORK Diagram
#
Description
Price
1
CAM, SHIFT
1W4-18541-00-00
Unavailable
6
PLATE, STOPPER
1E6-18141-01-00
Unavailable
10
STOPPER, CAM
353-18547-00-00
Unavailable
14
FORK, SHIFT 1
99999-01610-00
Unavailable
15
FORK, SHIFT 2
99999-01609-00
Unavailable
16
BAR, SHIFT FORK GUIDE 2
363-18535-00-00
Unavailable
17
CIRCLIP(2R6)
99001-08600-00
Unavailable
18
BAR, SHIFT FORK GUIDE 1
1M1-18531-00-00
Unavailable
19
LEVER, CHANGE 2
434-18122-00-00
Unavailable
20
SPRING, TORSION (1M1)
90508-08334-00
Unavailable
21
LEVER, CHANGE 3
498-18151-03-00
Unavailable
22
CIRCLIP
99080-07600-00
Unavailable
