- Partiron
- OEM Parts
- Yamaha
- motorcycle
- 1969
- DT1S (DT1S) 1969
FLYWHEEL MAGNETO
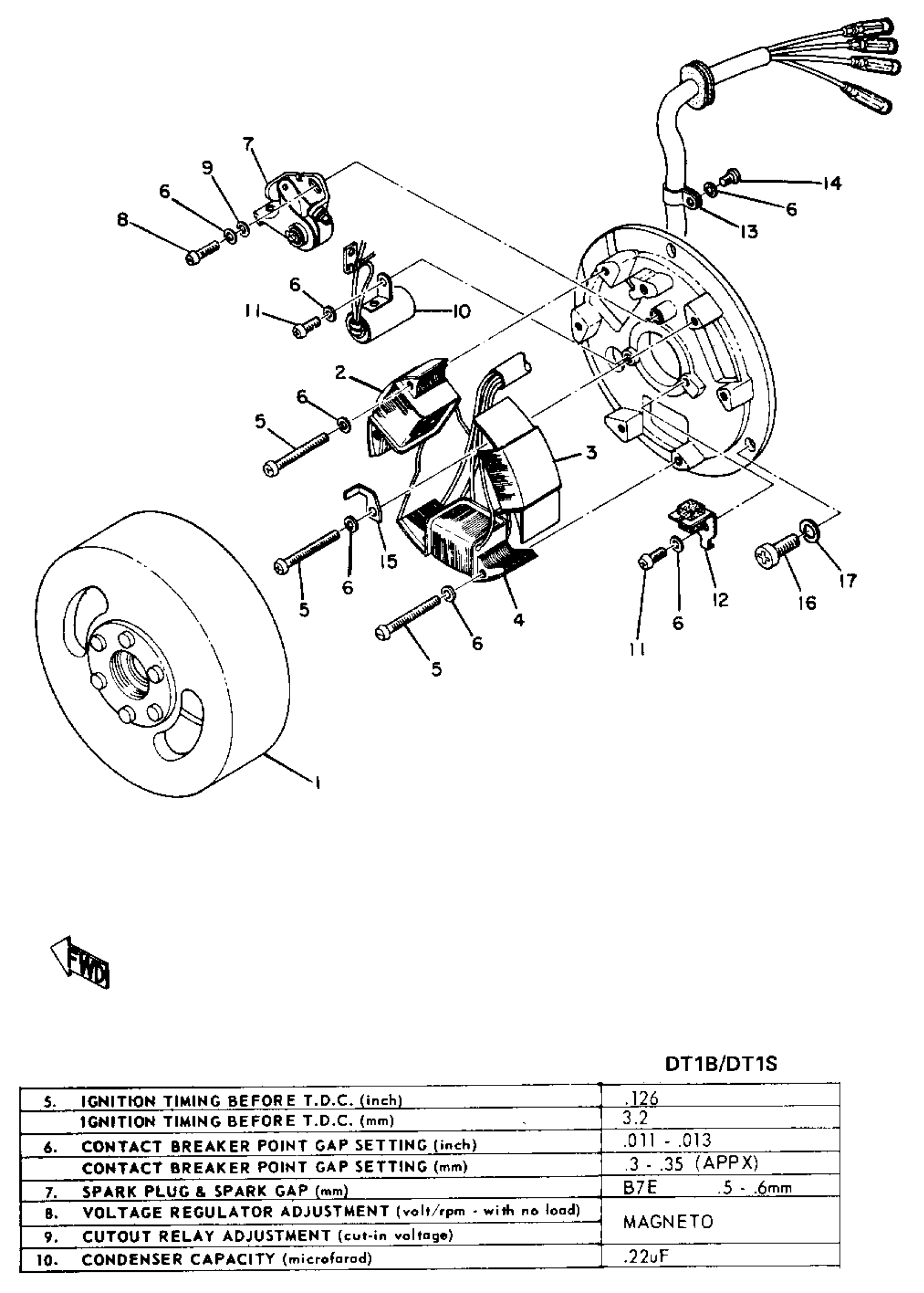
Yamaha DT1S (DT1S) 1969 FLYWHEEL MAGNETO Diagram
#
Description
Price
1
ROTOR ASSEMBLY
(214-81350-22-00)
Unavailable
1
FLYWHL MAGNETO ASSEMBLY
(275-81300-20-00)
Unavailable
1
FLYWHL MAGNETO ASSEMBLY
(275-81300-20-00)
Unavailable
2
. COIL, SOURCE
214-81312-21-00
Unavailable
3
COIL, LIGHTING 1
(214-81313-21-00)
Unavailable
3
COIL, LIGHTING 1
(233-81313-20-00)
Unavailable
4
COIL, LIGHTING 2
(214-81314-21-00)
Unavailable
4
. COIL, LIGHTING 2
233-81314-20-00
Unavailable
5
SCREW, PAN HEAD
98517-04025-00
Unavailable
5
SCREW, PAN HEAD
98517-04025-00
Unavailable
8
SCREW, PAN HEAD
98511-04012-00
Unavailable
10
. CONDENCER 2
214-81326-90-00
Unavailable
11
SCREW, PAN HEAD (E56)
98580-04010-00
Unavailable
12
. LUBRICATOR
116-81331-20-00
Unavailable
13
CLAMP, LEAD
104-81328-20-00
Unavailable
14
SCREW, PAN HEAD(3XP)
98517-04006-00
Unavailable
14
SCREW, PAN HEAD(3XP)
98517-04006-00
Unavailable
15
PLATE, TIMING
(214-81332-21-00)
Unavailable
16
SCREW, PAN
98507-06014-00
Unavailable
17
WASHER, SPRING
92995-06100-00
Unavailable
