- Partiron
- OEM Parts
- Yamaha
- motorcycle
- 1969
- DT1S (DT1S) 1969
ELECTRICAL
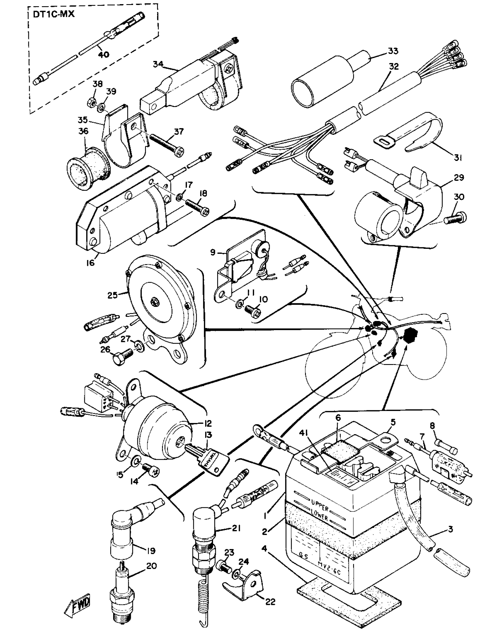
Yamaha DT1S (DT1S) 1969 ELECTRICAL Diagram
#
1
CAP, BATTERY
(104-82111-10-00)
Unavailable
1
MAIN SWITCH ASSEMBLY
(233-82508-20-00)
Unavailable
1
6N2-2A-3 GS BATTERY
6N2-2A300-00-00
Unavailable
2
BAND, BATTERY
214-82124-00-00
Unavailable
3
PIPE, BREATHER
(214-82112-00-00)
Unavailable
4
SEAT, BATTERY
(214-82122-00-00)
Unavailable
5
BAND, BATTERY
(214-82131-00-00)
Unavailable
6
PAD, BATTERY
(214-82121-00-00)
Unavailable
9
RECTIFIER ASSY
315-81970-61-00
Unavailable
10
SCREW, PAN HEAD(62X)
97885-05010-00
Unavailable
12
MAIN SWITCH ASSEMBLY
(214-82508-20-00)
Unavailable
14
SCREW, PAN HEAD(62X)
97885-05010-00
Unavailable
16
IGNITION COIL ASSEMBLY
214-82310-09-00
Unavailable
17
SCREW, PAN HEAD
98580-05020-00
Unavailable
19
PLUG CAP ASSY
56J-82370-00-00
Unavailable
20
SPARK PLUG B10EN
(94701-00017-00)
Unavailable
20
UNAVAILABLE IN PRICE BOOK
97401-00044-00
Unavailable
21
STOP SWITCH ASS'Y
214-82530-00-00
Unavailable
22
ATTACH, STOP SWITCH
(214-82537-00-00)
Unavailable
23
SCREW, PAN HEAD(62X)
97885-05010-00
Unavailable
25
HORN
266-83371-12-00
Unavailable
26
BOLT (661)
97013-06012-00
Unavailable
27
WASHER, SPRING
92995-06100-00
Unavailable
28
HOLDER, HANDLE SWCH
214-83974-00-00
Unavailable
29
SWITCH, HANDLE 2
214-83975-09-00
Unavailable
30
SCREW, PAN HEAD(6B0)
97885-05016-00
Unavailable
31
BAND, SWITCH CORD
437-83936-01-00
Unavailable
32
WIRE HARNESS ASSEMBLY
(233-82590-21-00)
Unavailable
33
COVER, CONNECTER
(214-82599-00-00)
Unavailable
34
CHOKE COIL ASSEMBLY
(233-81990-20-00)
Unavailable
35
BAND, COIL FITTING
(233-81991-00-00)
Unavailable
36
DAMPER, COIL FTNG
(233-81992-00-00)
Unavailable
37
SCREW, PAN HEAD
98517-05030-00
Unavailable
38
NUT, HEXAGON (663)
95380-05600-00
Unavailable
40
WIRE, SUB-LEAD
(284-82319-00-00)
Unavailable
41
LABEL, BATTERY
40A-82141-G0-00
Unavailable
