- Partiron
- OEM Parts
- Yamaha
- motorcycle
- 1971
- DT1MX (DT1MX) 1971
OIL PUMP
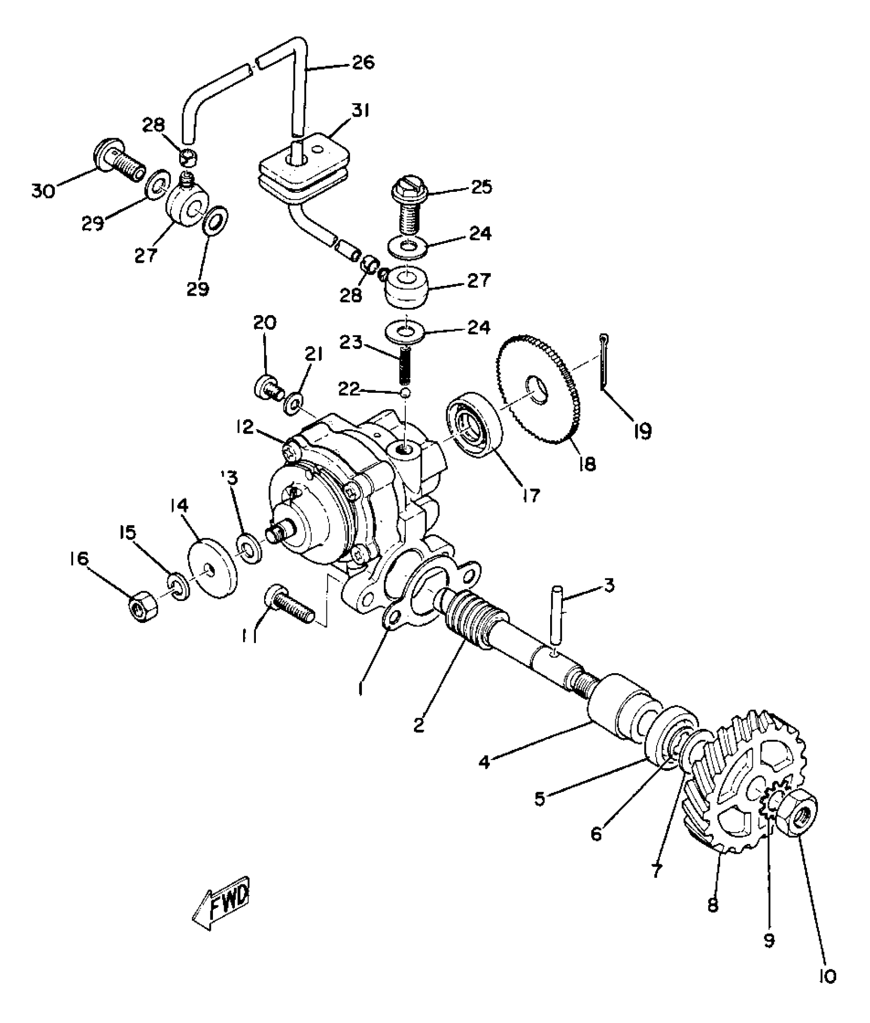
Yamaha DT1MX (DT1MX) 1971 OIL PUMP Diagram
#
Description
Price
1
OIL PUMP ASSEMBLY
(214-13101-04-00)
Unavailable
2
SHAFT, WORM
214-13175-01-00
Unavailable
4
METAL, WORM SHAFT OUTER
137-13176-00-00
Unavailable
8
GEAR, PUMP DRIVE
(214-13178-01-00)
Unavailable
9
WASHER (688)
92990-08400-00
Unavailable
10
. NUT
95380-08700-00
Unavailable
11
SCREW, PAN HEAD(6B0)
97885-05016-00
Unavailable
14
PLATE, ADJUSTING
137-13138-01-00
Unavailable
16
NUT, HEXAGON (663)
95380-05600-00
Unavailable
17
OIL SEAL (J10)
93101-10090-00
Unavailable
18
PLATE, STARTER
(137-13128-00-00)
Unavailable
19
. PIN, COTTER
91401-12018-00
Unavailable
20
SCREW, PAN HEAD
(164-81245-20-00)
Unavailable
21
GASKET 137131870000
90430-04004-00
Unavailable
22
BALL
93505-32002-00
Unavailable
23
SPRING, COMPRESSION
(90501-02017-00)
Unavailable
24
GASKET(3FP)
90430-06224-00
Unavailable
25
BOLT UNION 137131650000
90401-06001-00
Unavailable
26
HOSE (L700)
90445-05M07-00
Unavailable
27
BANJO, DELIVERY PIPE
214-13162-01-00
Unavailable
28
CLIP (214-13164-00)
90468-02033-00
Unavailable
29
GASKET(3FP)
90430-06224-00
Unavailable
30
BOLT UNION 137131650000
90401-06001-00
Unavailable
31
. HOLDER, OIL PIPE
(363-13174-00-00)
Unavailable
