- Partiron
- OEM Parts
- Yamaha
- motorcycle
- 1971
- DT1MX (DT1MX) 1971
FUEL TANK
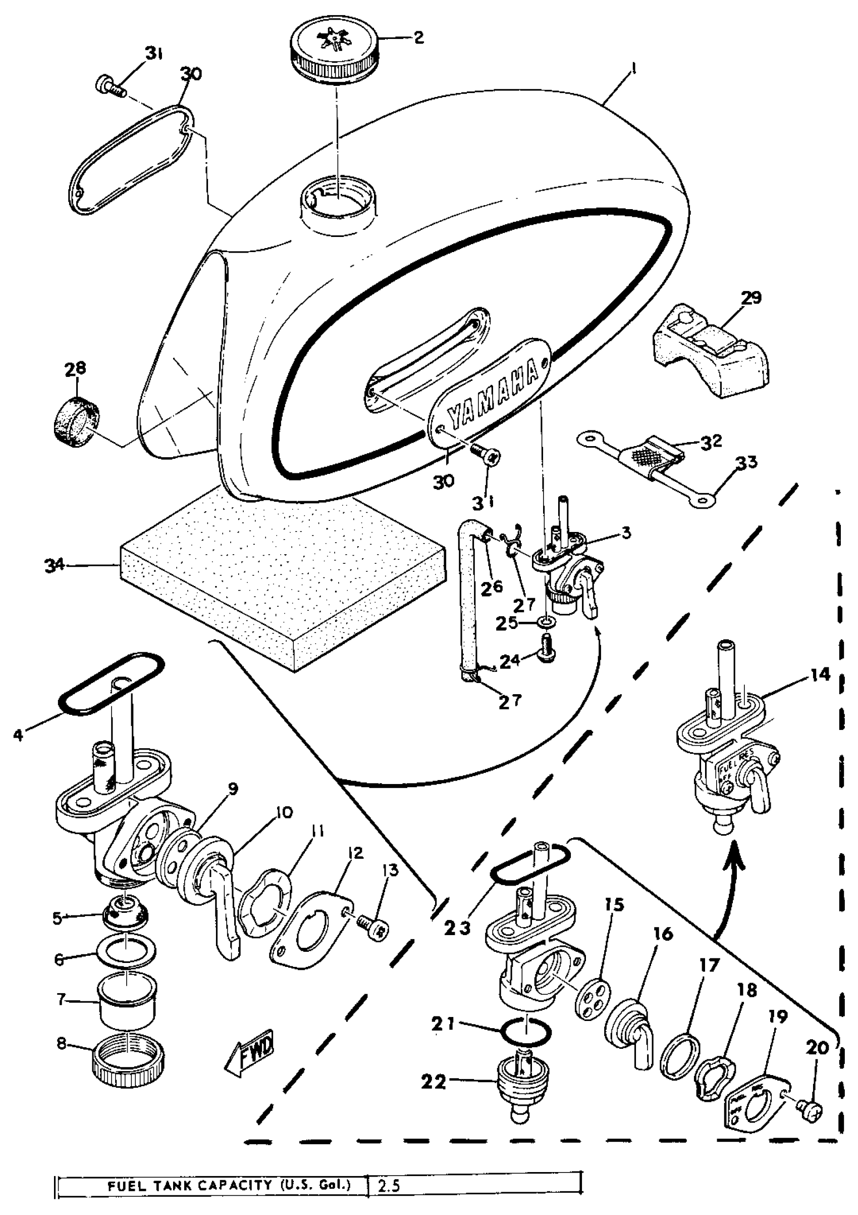
Yamaha DT1MX (DT1MX) 1971 FUEL TANK Diagram
#
Description
Price
1
FUEL TANK
(214-24110-03-07)
Unavailable
5
. NET, FILTER 2
214-24515-00-00
Unavailable
6
GASKET, FILTER
214-24522-00-00
Unavailable
7
. CUP, FILTER
214-24521-00-00
Unavailable
8
. NUT
214-24531-00-00
Unavailable
10
LEVER, COCK
(214-24524-01-00)
Unavailable
11
WASHER WAVE 137245180000
90206-18025-00
Unavailable
12
PLATE, LEVER FITTING
(214-24525-00-00)
Unavailable
16
. LEVER, COCK
498-24524-01-00
Unavailable
17
GASKET
(498-24528-00-00)
Unavailable
18
WASHER WAVE 137245180000
90206-18025-00
Unavailable
19
. PLATE, LEVER FITTING
498-24525-00-00
Unavailable
21
GASKET, FILTER
498-24522-00-00
Unavailable
22
CUP, FILTER
(498-24521-00-00)
Unavailable
24
SCREW 256241430000
90149-06011-00
Unavailable
25
WASHER, PLATE(3MB)
90202-05187-00
Unavailable
26
HOSE (L198)
90445-11293-00
Unavailable
27
CLIP
90467-100A1-00
Unavailable
28
DAMPER, LOCATING 1
3TB-24181-00-00
Unavailable
29
DAMPER, LOCATING 4
214-24184-00-00
Unavailable
30
EMBLEM 1
211-24161-00-00
Unavailable
31
SCREW, PAN HEAD (713)
98580-04008-00
Unavailable
32
BAND, TANK FITTING 1
214-24173-00-00
Unavailable
33
BAND, TANK FITTING 2
248-24173-00-00
Unavailable
34
SEAL
(214-21269-00-00)
Unavailable
