- Partiron
- OEM Parts
- Yamaha
- motorcycle
- 1981
- DT175H (DT175H) 1981
TAILLIGHT
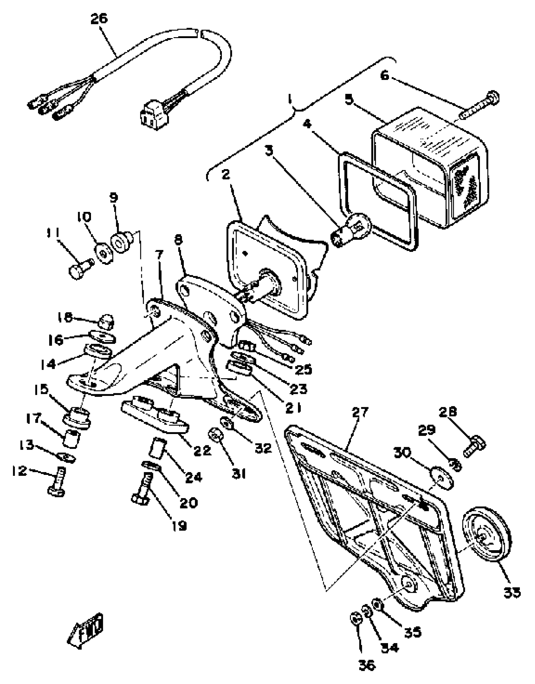
Yamaha DT175H (DT175H) 1981 TAILLIGHT Diagram
#
1
TAILLIGHT UNIT ASSEMBLY
1M1-84510-60-00
Unavailable
2
. BASE, TAILLIGHT
1M1-84511-60-00
Unavailable
3
. BULB
1M1-84514-60-00
Unavailable
7
BRACKET, LICENCE
2A6-84551-60-33
Unavailable
8
SEAT, BASE
1M1-84512-60-00
Unavailable
14
DAMPER
1M1-84553-10-00
Unavailable
15
DAMPER
1M1-84553-20-00
Unavailable
16
WASHER PLATE 248217570000
90201-06074-00
Unavailable
17
COLLAR (1M1)
90387-06553-00
Unavailable
18
NUT (J17)
95380-06800-00
Unavailable
19
BOLT(3RV)
97014-06035-00
Unavailable
20
WASHER, PLATE
90201-06380-00
Unavailable
21
DAMPER
1M1-84553-10-00
Unavailable
22
DAMPER
1M1-84553-00-00
Unavailable
23
WASHER PLATE 248217570000
90201-06074-00
Unavailable
24
COLLAR, LEVER 1
36Y-83913-01-00
Unavailable
25
NUT, HEXAGON
95380-06600-00
Unavailable
26
CORD, TAILLIGHT
1M1-84517-00-00
Unavailable
27
BRACKET, REFLECT 1
1M1-85132-62-00
Unavailable
28
BOLT, HEXAGON DEEP RECESS
97D95-06016-00
Unavailable
29
WASHER, SPRING
92995-06100-00
Unavailable
30
WASHER PLATE 248217570000
90201-06074-00
Unavailable
31
NUT, HEXAGON
95380-06600-00
Unavailable
33
REFLECTOR, REAR 1
1M1-85131-10-00
Unavailable
33
REFLECTOR, REAR 1
449-85131-02-00
Unavailable
34
YBS67-5 WASHER, SPRING
92990-05100-00
Unavailable
35
. WASHER, PLAIN
92990-05200-00
Unavailable
36
NUT, HEXAGON (663)
95380-05600-00
Unavailable
