- Partiron
- OEM Parts
- Yamaha
- motorcycle
- 1981
- DT175H (DT175H) 1981
CARBURETOR
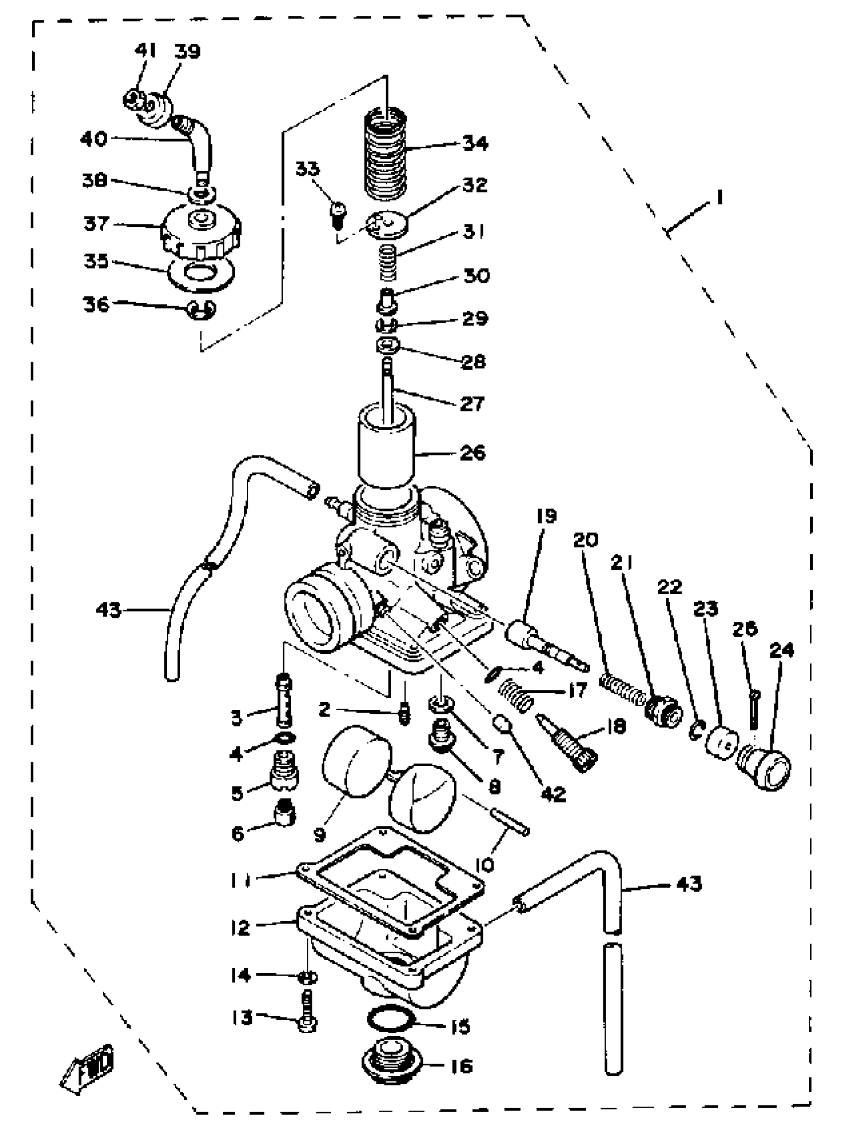
Yamaha DT175H (DT175H) 1981 CARBURETOR Diagram
#
1
CARBURETOR ASSEMBLY 1
3J1-14101-00-00
Unavailable
3
. NOZZLE, MAIN (N-4)
2F5-14141-24-00
Unavailable
5
HOLDER
2N4-14145-00-00
Unavailable
8
VALVE SEAT ASSY
1V0-14190-25-00
Unavailable
12
. BODY, FLOAT CHMBR 1
539-14181-04-00
Unavailable
16
PLUG, SCREW
500-14115-00-00
Unavailable
17
. SPRING, THROTTLE STOP
493-14133-00-00
Unavailable
18
. SCREW, THROTTLE
493-14122-00-00
Unavailable
19
. PLUNGER, STARTER
304-14171-00-00
Unavailable
20
SPRING, PLUNGER
156-14135-00-00
Unavailable
21
CAP, PLUNGER
152-14174-00-00
Unavailable
22
CLIP, PLUNGER
353-14138-00-00
Unavailable
23
. COVER, PLUNGER
3A3-14173-00-00
Unavailable
24
HOLDER
304-14261-00-00
Unavailable
25
PIN, COTTER
91490-16020-00
Unavailable
26
VALVE, THROTTLE 1
(3J1-14112-20-00)
Unavailable
27
NEEDLE
(452-14116-13-00)
Unavailable
28
. RING
2N6-14918-01-00
Unavailable
29
CLIP
3FA-14137-00-00
Unavailable
30
. WASHER
2N6-14227-01-00
Unavailable
31
SPRING
(2N6-14589-03-00)
Unavailable
32
SEAT, SPRING
(3J1-14936-00-00)
Unavailable
33
SCREW, PAN HEAD (J10)
98580-03008-00
Unavailable
34
SPRING, THROTTLE VALVE
2N4-14131-00-00
Unavailable
35
GASKET
2A6-14126-00-00
Unavailable
36
CLIP
363-14137-00-00
Unavailable
37
. TOP, MIXING CHAMBER
2A6-14158-00-00
Unavailable
38
GASKET
509-14198-00-00
Unavailable
39
CAP
3X3-14169-00-00
Unavailable
40
CABLE ADJUST SCREW SET
10X-14106-00-00
Unavailable
41
NUT, WIRE ADJUSTING
127-14161-00-00
Unavailable
42
CAP
895-14169-00-00
Unavailable
43
PIPE
23F-14197-00-00
Unavailable
