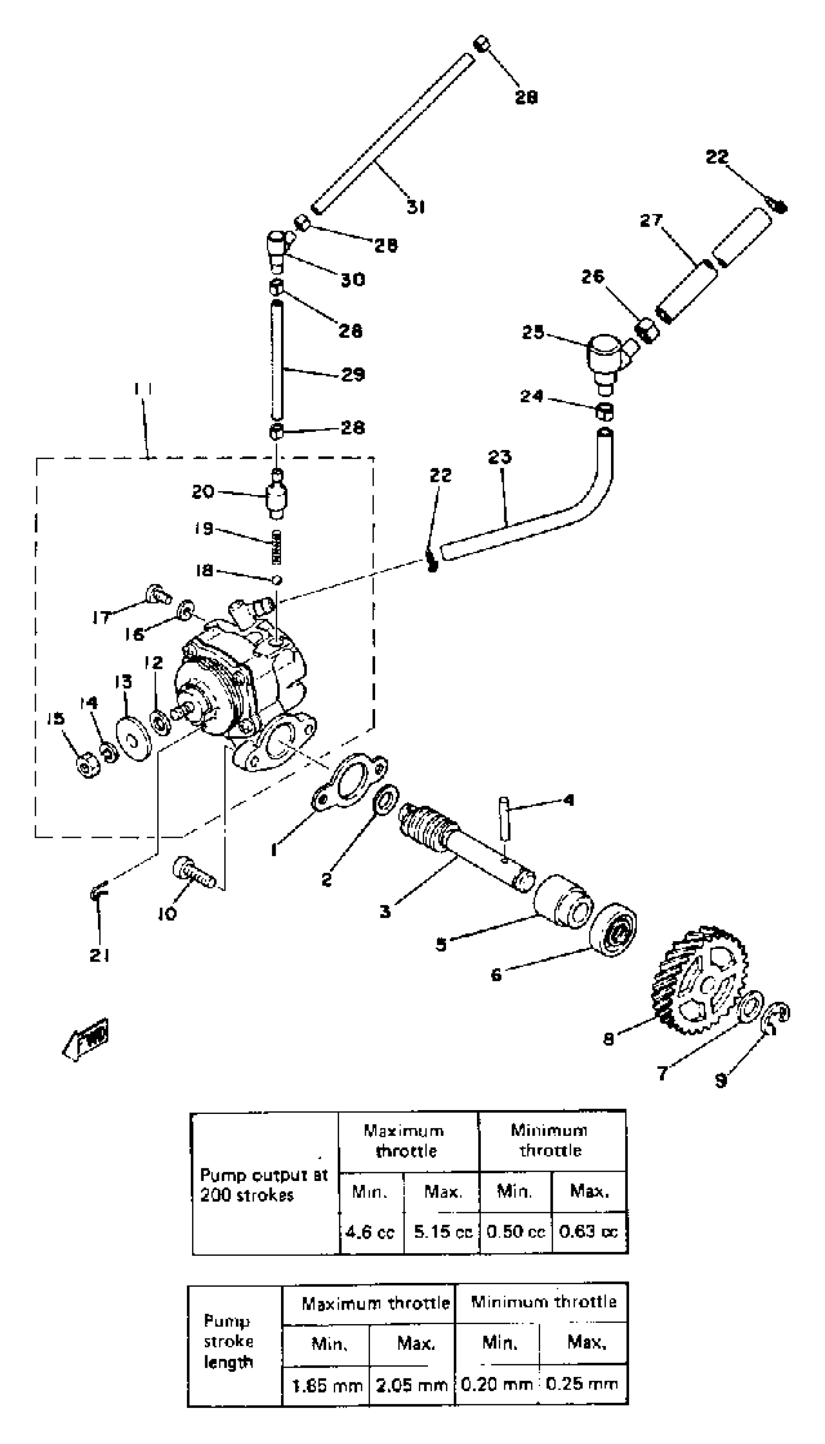
Yamaha DT175E (DT175E) 1978 OIL PUMP Diagram
#
Description
Price
2
WASHER, PLATE (1E7)
90201-08624-00
Unavailable
3
SHAFT, WORM
(558-13175-00-00)
Unavailable
5
METAL, WORM SHAFT OUTER
137-13176-00-00
Unavailable
8
GEAR, DRIVE
2A6-13178-00-00
Unavailable
10
SCREW, PAN HEAD(6B0)
97885-05016-00
Unavailable
11
OIL PUMP ASSEMBLY
2A6-13101-00-00
Unavailable
13
PLATE, ADJUSTING
137-13138-01-00
Unavailable
14
YBS67-5 WASHER, SPRING
92990-05100-00
Unavailable
15
NUT, HEXAGON (663)
95380-05600-00
Unavailable
16
GASKET 137131870000
90430-04004-00
Unavailable
17
SCREW, BIND
98980-04008-00
Unavailable
18
BALL
93505-32002-00
Unavailable
19
SPRING (278-13169-00)
90501-02018-00
Unavailable
20
NOZZLE
402-13552-00-00
Unavailable
21
CLIP (PUMP ADJUSTING PULLEY)
363-13133-01-00
Unavailable
22
CLIP 101235600
90467-08003-00
Unavailable
23
HOSE (L200)
90445-07176-00
Unavailable
24
CLIP (2A6)
90468-02025-00
Unavailable
25
CONNECTOR, SCTN PPE
2A6-13115-01-00
Unavailable
26
CLIP (2A6)
90468-02078-00
Unavailable
27
HOSE (L420)
90445-092K1-00
Unavailable
28
CLIP (214-13164-00)
90468-02033-00
Unavailable
29
HOSE (L200)
90445-05N13-00
Unavailable
30
CONCT, DELIVERY PPE
2A6-13164-01-00
Unavailable
31
HOSE (L200)
90445-05N13-00
Unavailable
