Partiron

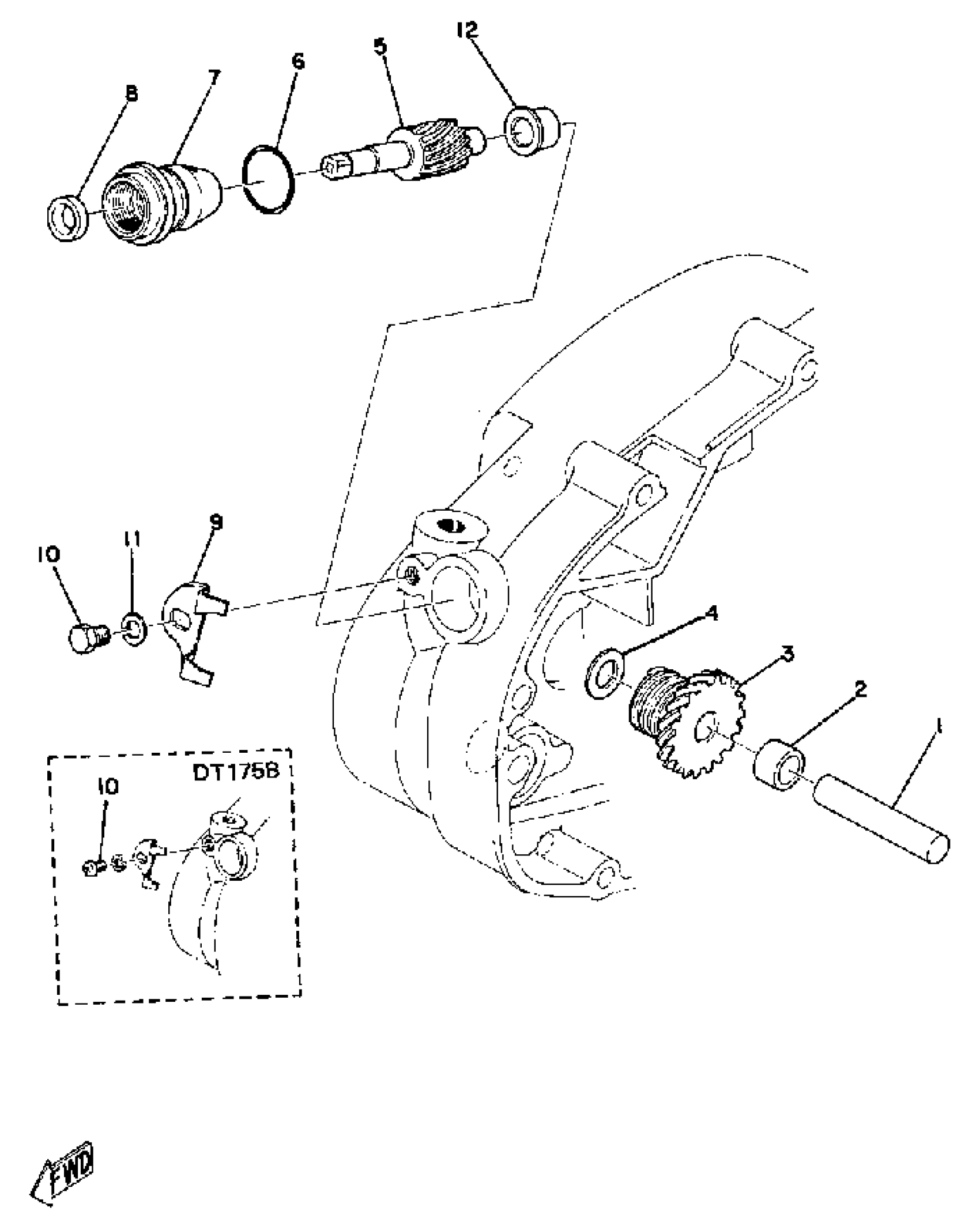
Yamaha DT175A (DT175A) 1974 TACHOMETER GEAR Diagram

#

Description
Price

1

AXLE, DRIVE GEAR

(248-17861-00-00)

Unavailable

2

COLLAR, DISTANCE

(276-17839-10-00)

Unavailable

3

GEAR, DRIVE

443-17831-02-00

Unavailable

4

SHIM

248-17837-00-00

Unavailable

5

GEAR, DRIVEN

443-17841-00-00

Unavailable

6

O-RING (1J7)

93210-16314-00

$4.29

7

HOUSING, TACH GEAR

438-17811-01-00

Unavailable

8

OIL SEAL (7X13X4-256)

93104-07036-00

Unavailable

9

STOPPER

438-17812-00-00

Unavailable

10

BOLT(3JP)

97017-06010-00

$3.76

11

WASHER, SPRING

92995-06100-00

Unavailable

12

BUSH (214-17843-00)

90381-08002-00

$11.49