- Partiron
- OEM Parts
- Yamaha
- motorcycle
- 1974
- DT175A (DT175A) 1974
ELECTRICAL
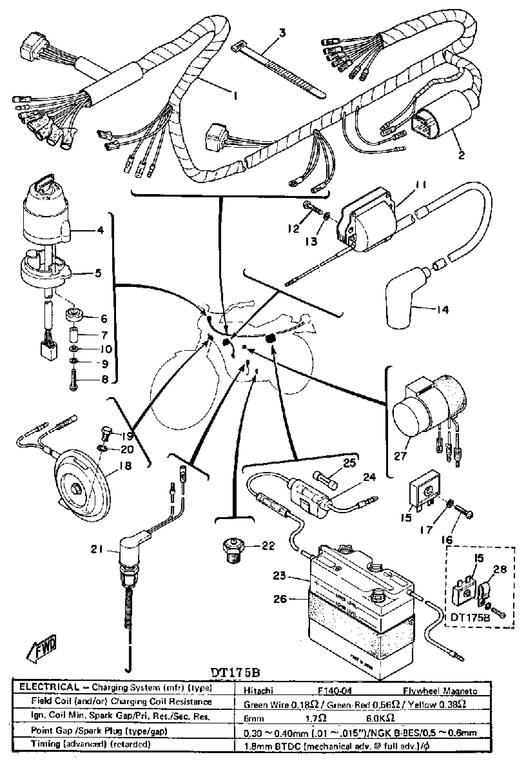
Yamaha DT175A (DT175A) 1974 ELECTRICAL Diagram
#
Description
Price
1
WIRE HARNESS ASSEMBLY
(437-82590-22-00)
Unavailable
2
COVER, CONNECTER
(307-82599-01-00)
Unavailable
4
MAIN SWITCH ASSEMBLY
443-82508-21-00
Unavailable
5
. DAMPER, MAIN SWITCH
437-82555-00-00
Unavailable
6
DAMPER, STOPPER
1M1-82556-00-00
Unavailable
7
COLLAR, MAIN SWITCH
437-82516-00-00
Unavailable
8
SCREW, PAN HEAD
98580-05020-00
Unavailable
10
. WASHER, PLAIN
92990-05200-00
Unavailable
11
IGNITION COIL ASSEMBLY
324-82310-10-00
Unavailable
13
WASHER, SPRING
92995-06100-00
Unavailable
15
RECTIFIER ASSY
353-81970-M2-00
Unavailable
16
SCREW, PAN HEAD
92501-05006-00
Unavailable
18
HORN
437-83371-13-00
Unavailable
19
BOLT (661)
97013-06012-00
Unavailable
20
WASHER, SPRING
92995-06100-00
Unavailable
21
STOP SWITCH ASSEMBLY
437-82530-02-00
Unavailable
22
NEUTRAL SWITCH ASSY
136-82540-03-00
Unavailable
23
6N4B2A3 YUASA BATTERY
6N4-B2A3Y-00-00
Unavailable
24
FUSE HOLDER ASSY
55K-82150-02-00
Unavailable
25
FUSE
1A0-82151-00-00
Unavailable
26
BAND, BATTERY
(437-82124-01-00)
Unavailable
27
FLASHER RELAY ASSEMBLY
438-83350-62-00
Unavailable
28
CLAMP(4MX)
90465-06376-00
Unavailable
