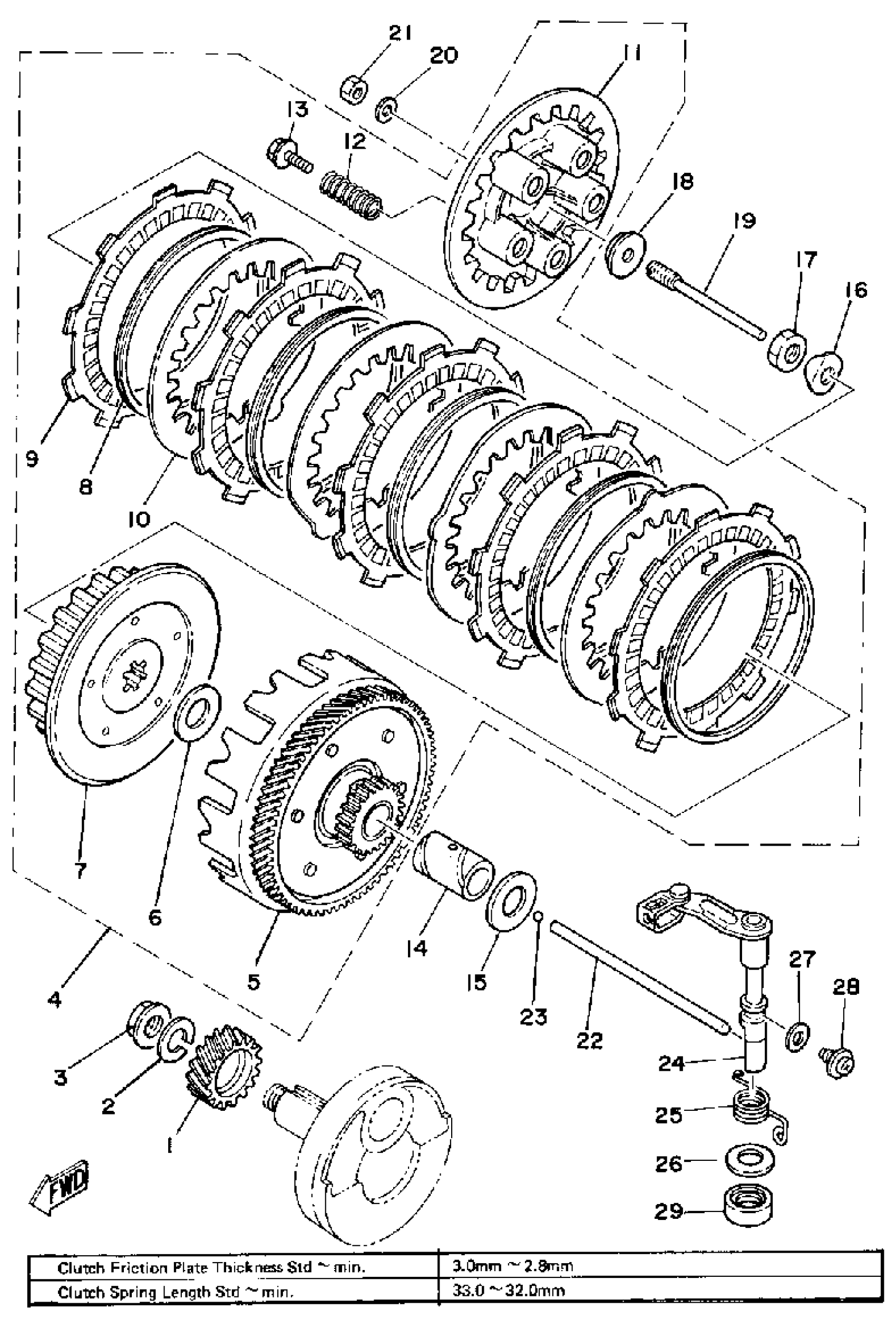
Yamaha DT125G (DT125G) 1980 CLUTCH Diagram
#
Description
Price
1
GEAR, PRIMARY DRIVE
4FU-16111-00-00
Unavailable
4
CLUTCH ASSEMBLY
(3J0-16300-00-00)
Unavailable
5
. PRIMARY DRIVEN GEAR COMP (71T)
1W1-16150-01-00
Unavailable
7
. BOSS, CLUTCH
1J4-16371-00-00
Unavailable
8
. RING, CUSHION
307-16367-00-00
Unavailable
11
. PLATE, PRESSURE 1
2A6-16351-00-00
Unavailable
14
SPACER (525)
90560-17147-00
Unavailable
16
WASHER, LOCK (2K6)
90215-14204-00
Unavailable
17
NUT, HEXAGON
90170-14171-00
Unavailable
18
PLATE, PUSH
1W1-16358-01-00
Unavailable
19
ROD, PUSH
1W1-16356-02-00
Unavailable
20
YBS66-6 WASHER, PLAIN
92990-06200-00
Unavailable
21
NUT, HEXAGON
95380-06600-00
Unavailable
22
ROD, PUSH 2
1W1-16357-00-00
Unavailable
23
BALL
93503-16003-00
Unavailable
24
PUSH LEVER ASSEMBLY
(1W1-16380-00-00)
Unavailable
25
SPRING, TORSION (1W1)
90508-20345-00
Unavailable
26
WASHER PLATE 150251530000
90201-14217-00
Unavailable
27
GASKET(3AJ)
90430-08204-00
Unavailable
28
SCREW (1M1)
90149-08108-00
Unavailable
29
OIL SEAL (14X25X5-2H7)
93104-14059-00
Unavailable
