- Partiron
- OEM Parts
- Yamaha
- motorcycle
- 1979
- DT125F (DT125F) 1979
TAILLIGHT
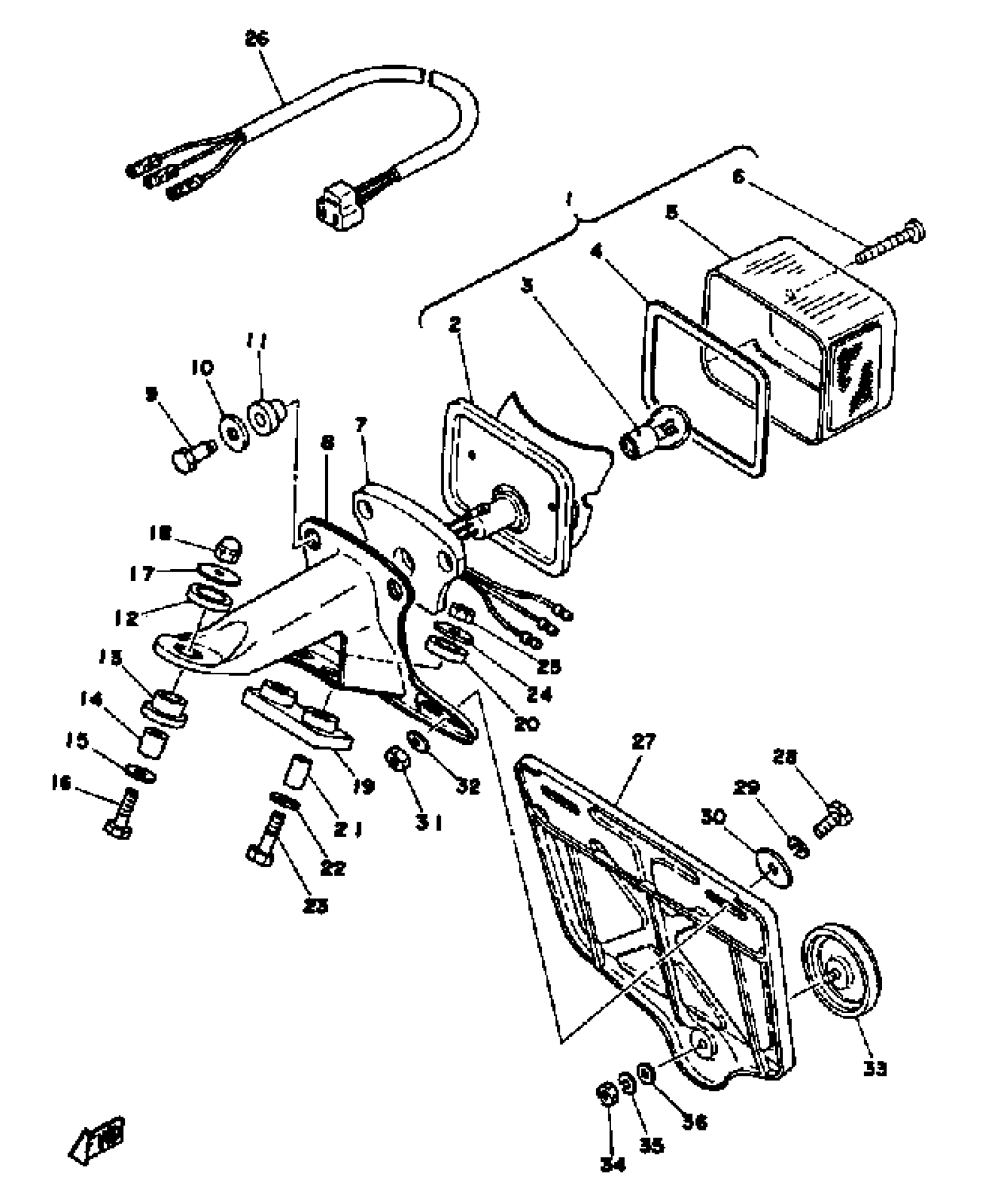
Yamaha DT125F (DT125F) 1979 TAILLIGHT Diagram
#
1
TAILLIGHT UNIT ASSEMBLY
1M1-84510-60-00
Unavailable
2
. BASE, TAILLIGHT
1M1-84511-60-00
Unavailable
3
. BULB
1M1-84514-60-00
Unavailable
7
SEAT, BASE
1M1-84512-60-00
Unavailable
8
BRACKET, LICENCE
2A6-84551-60-33
Unavailable
12
DAMPER
1M1-84553-10-00
Unavailable
13
DAMPER
1M1-84553-20-00
Unavailable
16
BOLT, HEXAGON
97017-06025-00
Unavailable
17
WASHER PLATE 248217570000
90201-06074-00
Unavailable
18
NUT (J17)
95380-06800-00
Unavailable
19
DAMPER
1M1-84553-00-00
Unavailable
20
DAMPER
1M1-84553-10-00
Unavailable
21
COLLAR, LEVER 1
36Y-83913-01-00
Unavailable
22
WASHER, PLATE
90201-06380-00
Unavailable
23
BOLT(3RV)
97014-06035-00
Unavailable
24
WASHER PLATE 248217570000
90201-06074-00
Unavailable
25
NUT, HEXAGON
95380-06600-00
Unavailable
26
CORD, TAILLIGHT
1M1-84517-00-00
Unavailable
27
BRACKET, REFLECT 1
1M1-85132-62-00
Unavailable
28
BOLT, HEXAGON DEEP RECESS
97D95-06016-00
Unavailable
29
WASHER, SPRING
92995-06100-00
Unavailable
30
WASHER PLATE 248217570000
90201-06074-00
Unavailable
31
NUT, HEXAGON
95380-06600-00
Unavailable
33
REFLECTOR, REAR 1
1M1-85131-10-00
Unavailable
33
REFLECTOR, REAR 1
449-85131-02-00
Unavailable
34
NUT, HEXAGON (663)
95380-05600-00
Unavailable
35
YBS67-5 WASHER, SPRING
92990-05100-00
Unavailable
36
. WASHER, PLAIN
92990-05200-00
Unavailable
