- Partiron
- OEM Parts
- Yamaha
- motorcycle
- 1978
- DT125E (DT125E) 1978
HEADLIGHT
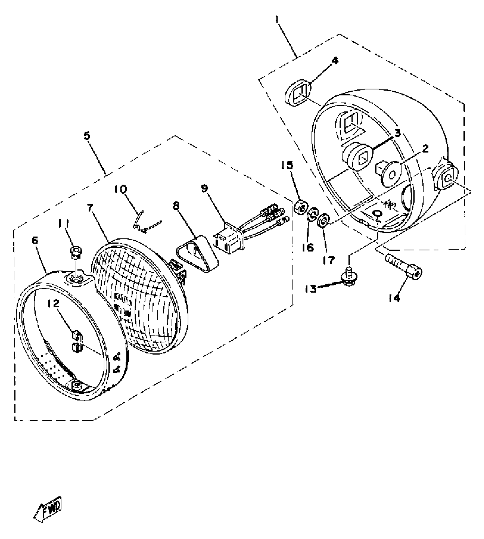
Yamaha DT125E (DT125E) 1978 HEADLIGHT Diagram
#
Description
Price
1
BODY ASSEMBLY, HEADLIGHT (1M1-84130-60-98)
1M1-84130-60-00
Unavailable
5
UNAVAILABLE IN PRICE BOOK
(2A6-84110-60-00)
Unavailable
6
RING, RETAINING
3J0-84195-60-00
Unavailable
7
. LENS ASSEMBLY
2A6-84120-60-00
Unavailable
8
. COVER, SOCKET
341-84397-61-00
Unavailable
9
SOCKET
371-84312-60-00
Unavailable
11
COLLAR
1M1-84133-60-00
Unavailable
12
. SPACER
498-84128-60-00
Unavailable
14
BOLT
90109-08448-00
Unavailable
16
YBS67-8 WASHER, SPRING
92990-08100-00
Unavailable
17
WASHER, PLAIN
92990-08200-00
Unavailable
