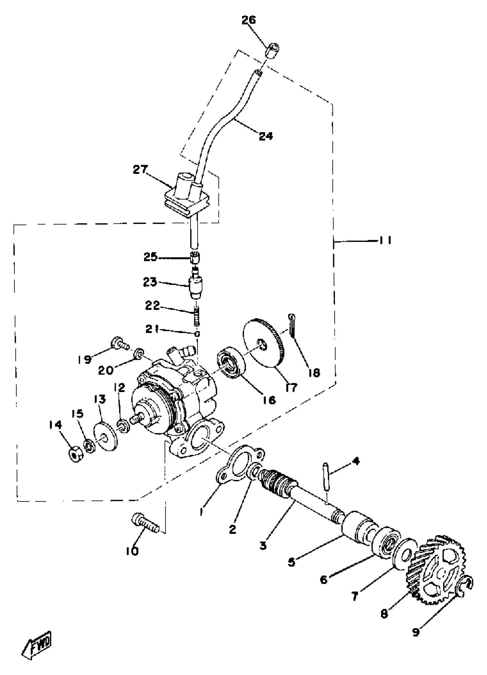
Yamaha DT125C (DT125C) 1976 OIL PUMP Diagram
#
Description
Price
2
WASHER, PLATE (1E7)
90201-08624-00
Unavailable
3
SHAFT, WORM
(559-13175-00-00)
Unavailable
5
METAL, WORM SHAFT OUTER
137-13176-00-00
Unavailable
8
GEAR, DRIVE
248-13178-00-00
Unavailable
10
SCREW, PAN HEAD(6B0)
97885-05016-00
Unavailable
11
OIL PUMP ASSY
525-13101-01-00
Unavailable
12
SHIM, PLUNGER
(137-13137-00-30)
Unavailable
13
PLATE, ADJUSTING
137-13138-01-00
Unavailable
15
YBS67-5 WASHER, SPRING
92990-05100-00
Unavailable
16
OIL SEAL (J10)
93101-10090-00
Unavailable
17
PLATE, STARTER
(137-13128-00-00)
Unavailable
18
. PIN, COTTER
91401-12018-00
Unavailable
19
SCREW, BIND
98980-04008-00
Unavailable
20
GASKET 137131870000
90430-04004-00
Unavailable
21
BALL
93505-32002-00
Unavailable
22
SPRING (278-13169-00)
90501-02018-00
Unavailable
23
NOZZLE
402-13552-00-00
Unavailable
24
HOSE (L200)
90445-05N13-00
Unavailable
25
CLIP (214-13164-00)
90468-02033-00
Unavailable
26
CLIP (214-13164-00)
90468-02033-00
Unavailable
27
HOLDER OIL PIPE
525-13174-01-00
Unavailable
