- Partiron
- OEM Parts
- Yamaha
- motorcycle
- 1974
- DT125A (DT125A) 1974
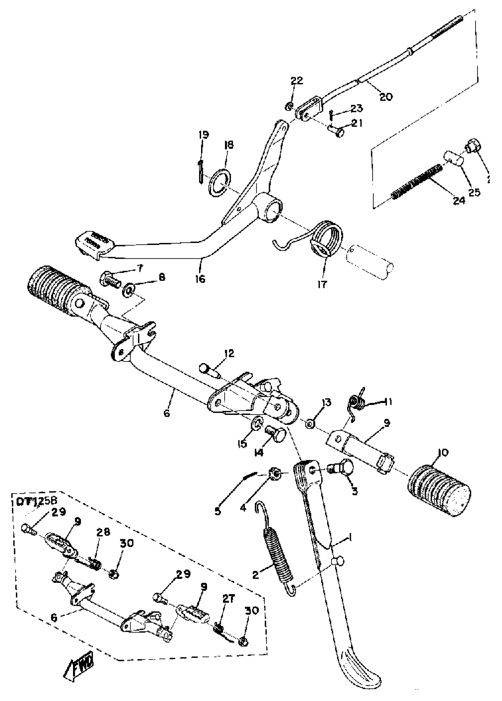
STAND - FOOTREST - BRAKE PEDAL
Yamaha DT125A (DT125A) 1974 STAND - FOOTREST - BRAKE PEDAL Diagram
#
Description
Price
1
STAND, SIDE
248-27311-01-00
Unavailable
1
FOOTREST 1
434-27411-00-35
Unavailable
1
FOOTREST 1
(444-27411-00-00)
Unavailable
2
FOOTREST 2
434-27421-00-35
Unavailable
4
NUT, CASTLE
95307-10900-00
Unavailable
6
FOOTREST 1
(261-27411-00-00)
Unavailable
7
BOLT
97027-10018-00
Unavailable
10
FOOTREST 1
214-27411-00-00
Unavailable
13
WASHER, PLATE (214-27417-00)
90201-06042-00
Unavailable
14
BOLT
97027-10018-00
Unavailable
16
PEDAL, BRAKE
248-27211-00-33
Unavailable
17
SPRING, TORSION (248-27216-00)
90508-35070-00
Unavailable
18
WASHER, PLATE (248-27226-00)
90201-25289-00
Unavailable
19
PIN, COTTER
91490-40045-00
Unavailable
20
ROD, BRAKE
248-27231-00-00
Unavailable
21
PIN, WITH HOLE (248-27228-00)
90240-06006-00
Unavailable
22
YBS66-6 WASHER, PLAIN
92990-06200-00
Unavailable
23
PIN, COTTER
91490-25020-00
Unavailable
24
SPRING, (180-27236-00)
90501-10245-00
Unavailable
25
PIN 1562723700
90249-12008-00
Unavailable
26
NUT (25K)
90179-06411-00
Unavailable
27
SPRING, TORSION
90508-26138-00
Unavailable
28
SPRING, TORSION
90508-26139-00
Unavailable
29
BOLT
90101-08250-00
Unavailable
30
NUT, U
95617-08100-00
Unavailable
