- Partiron
- OEM Parts
- Yamaha
- motorcycle
- 1981
- DT100H (DT100H) 1981
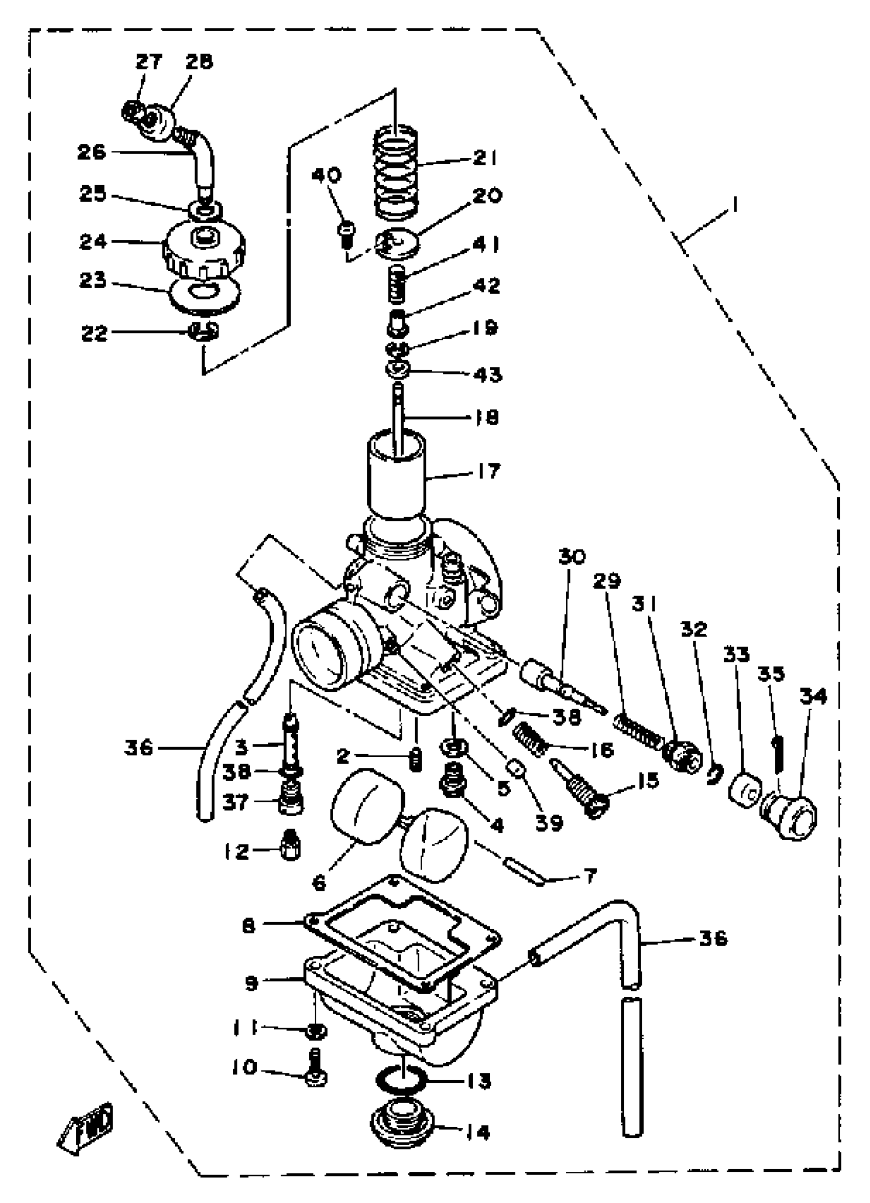
CARBURETOR
Yamaha DT100H (DT100H) 1981 CARBURETOR Diagram
#
1
CARBURETOR ASSEMBLY 1
3A3-14101-60-00
Unavailable
2
. JET, PILOT #15
260-14142-15-A0
Unavailable
3
NOZZLE, MAIN
2F5-14141-36-00
Unavailable
4
VALVE SEAT ASSY
353-14190-15-00
Unavailable
9
. BODY, FLOAT CHMBR 1
539-14181-04-00
Unavailable
15
. SCREW, THROTTLE
493-14122-00-00
Unavailable
16
. SPRING, THROTTLE STOP
493-14133-00-00
Unavailable
17
VALVE, THROTTLE 1
(3A3-14112-20-00)
Unavailable
18
NEEDLE
(164-14116-17-00)
Unavailable
19
CLIP
3FA-14137-00-00
Unavailable
20
SEAT, SPRING
(3A3-14136-00-00)
Unavailable
21
SPRING, THROTTLE VALVE
3X3-14131-00-00
Unavailable
22
CLIP
363-14137-00-00
Unavailable
23
. GASKET
3A3-14126-00-00
Unavailable
24
. TOP, MIXING CHAMBER
1T9-14158-00-00
Unavailable
25
GASKET
509-14198-00-00
Unavailable
26
GUIDE, CABLE
(3A3-14155-00-00)
Unavailable
27
NUT, WIRE ADJUSTING
127-14161-00-00
Unavailable
28
CAP
3X3-14169-00-00
Unavailable
29
SPRING, PLUNGER
156-14135-00-00
Unavailable
30
. PLUNGER, STARTER
304-14171-00-00
Unavailable
31
CAP, PLUNGER
152-14174-00-00
Unavailable
32
. CLIP, PLUNGER
152-14138-00-00
Unavailable
33
. COVER, PLUNGER
3A3-14173-00-00
Unavailable
34
HOLDER
304-14261-00-00
Unavailable
35
PIN, COTTER
91490-16020-00
Unavailable
36
PIPE
23F-14197-00-00
Unavailable
37
HOLDER
2N4-14145-00-00
Unavailable
38
O-RING
214-14147-00-00
Unavailable
39
CAP
895-14169-00-00
Unavailable
40
. SCREW, PAN HEAD
98580-04006-00
Unavailable
41
. SPRING
2N6-14589-01-00
Unavailable
42
. WASHER
2N6-14227-01-00
Unavailable
43
. RING
2N6-14918-01-00
Unavailable
