- Partiron
- OEM Parts
- Yamaha
- motorcycle
- 1981
- DT100H (DT100H) 1981
C - D - I - MAGNETO DT100H - J
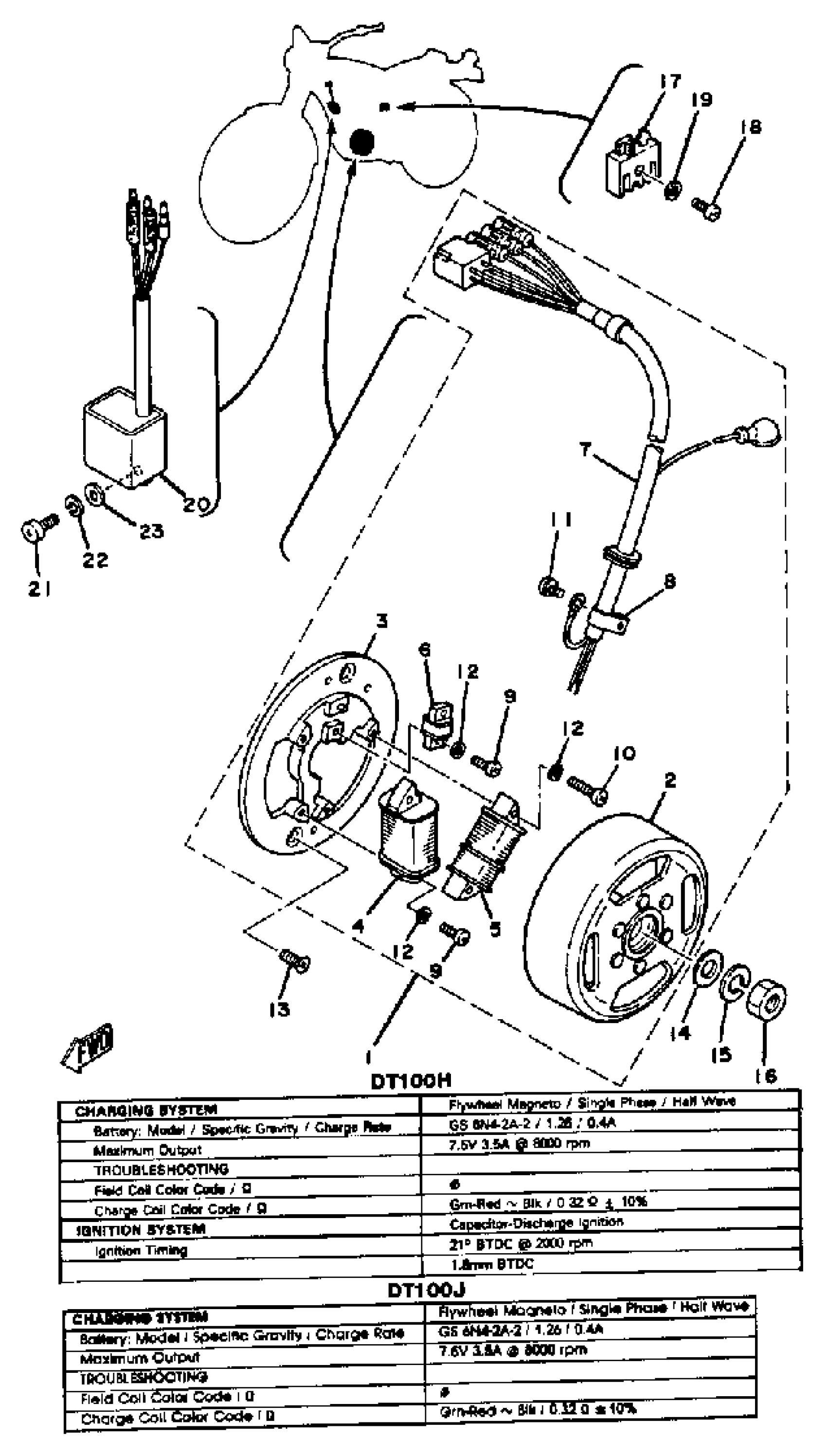
Yamaha DT100H (DT100H) 1981 C - D - I - MAGNETO DT100H - J Diagram
#
Description
Price
1
CDI MAGNETO ASSEMBLY
(3A3-85500-20-00)
Unavailable
2
. ROTOR ASSEMBLY
3A3-85550-20-00
Unavailable
3
BASE, MAGNETO
(3A3-85509-20-00)
Unavailable
4
. COIL SOURCE 2
3A3-85512-20-00
Unavailable
5
. COIL, LIGHTING 1
3A3-85513-20-00
Unavailable
6
. COIL, PULSER
3A3-85580-20-00
Unavailable
7
LEAD WIRE ASSEMBLY
(3A3-85515-20-00)
Unavailable
10
SCREW, PAN HEAD
98517-04025-00
Unavailable
11
SCREW, PAN HEAD(3XP)
98517-04006-00
Unavailable
13
SCREW, OVAL HEAD (92701-06012)
98603-06012-00
Unavailable
14
WASHER (492)
90201-12535-00
Unavailable
16
NUT, HEXAGON 98801-12200
90170-12175-00
Unavailable
17
RECTIFIER ASSY
353-81970-M2-00
Unavailable
18
SCREW, PAN HEAD(4MY)
98507-05018-00
Unavailable
19
YBS67-5 WASHER, SPRING
92990-05100-00
Unavailable
20
CDI UNIT ASSEMBLY
3A3-85540-20-00
Unavailable
21
SCREW, PAN
98507-06014-00
Unavailable
22
WASHER, SPRING
92995-06100-00
Unavailable
23
WASHER, PLATE (4H7)
90201-061A5-00
Unavailable
