- Partiron
- OEM Parts
- Yamaha
- motorcycle
- 1978
- DT100E (DT100E) 1978
REAR ARM REAR CUSHION CHAIN CASE
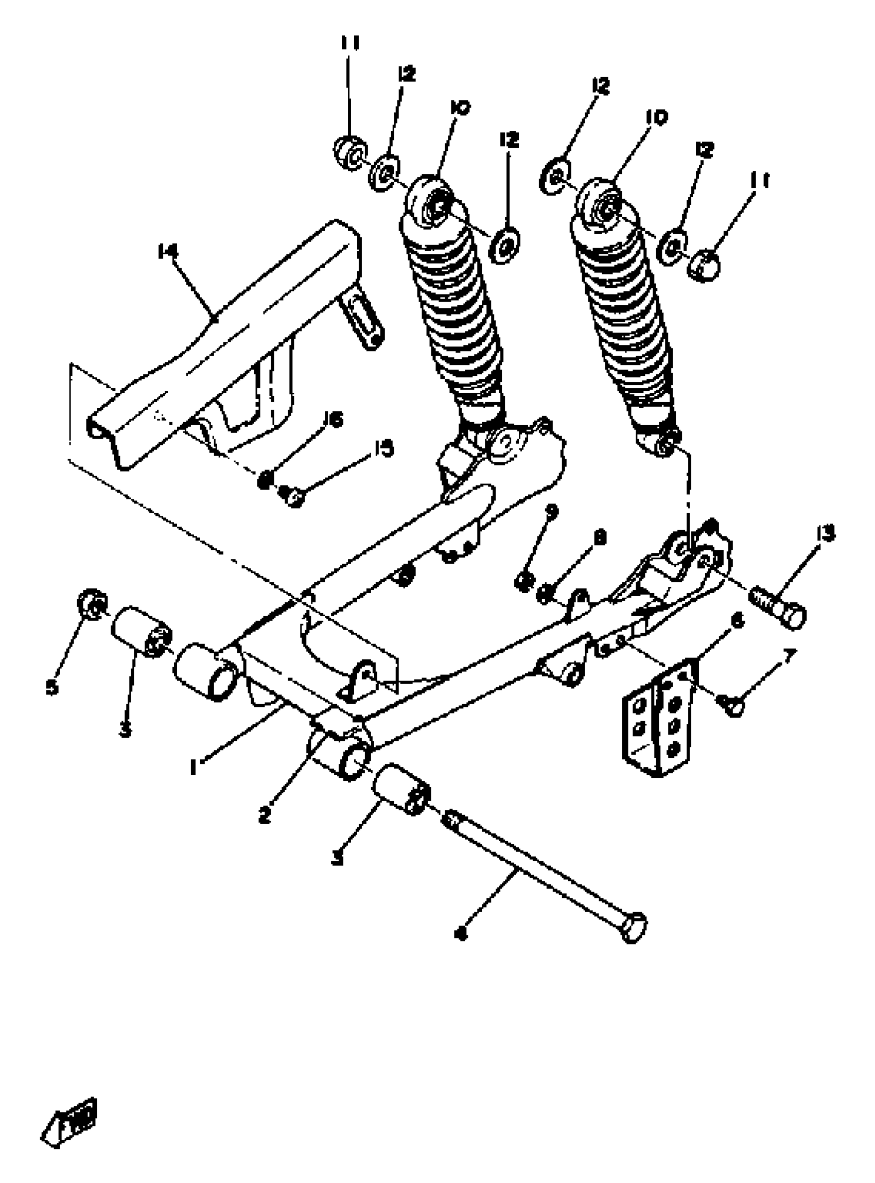
Yamaha DT100E (DT100E) 1978 REAR ARM REAR CUSHION CHAIN CASE Diagram
#
Description
Price
1
REAR ARM
1T9-22110-01-33
Unavailable
4
AXLE,WHEEL
2J5-25381-01-00
Unavailable
6
GUARD, CHAIN
492-22153-00-33
Unavailable
8
WASHER, SPRING
92995-06100-00
Unavailable
9
NUT, HEXAGON
95380-06600-00
Unavailable
10
SHK/ABS ASY,REAR
3UL-22210-00-33
Unavailable
11
NUT CROWN(663)
95380-12800-00
Unavailable
13
BOLT(M35)
90101-10776-00
Unavailable
14
CASE, CHAIN
1T9-22311-00-33
Unavailable
15
SCREW, PAN HEAD(62X)
97885-05010-00
Unavailable
16
YBS67-5 WASHER, SPRING
92990-05100-00
Unavailable
