- Partiron
- OEM Parts
- Yamaha
- motorcycle
- 1977
- DT100D (DT100D) 1977
ELECTRICAL
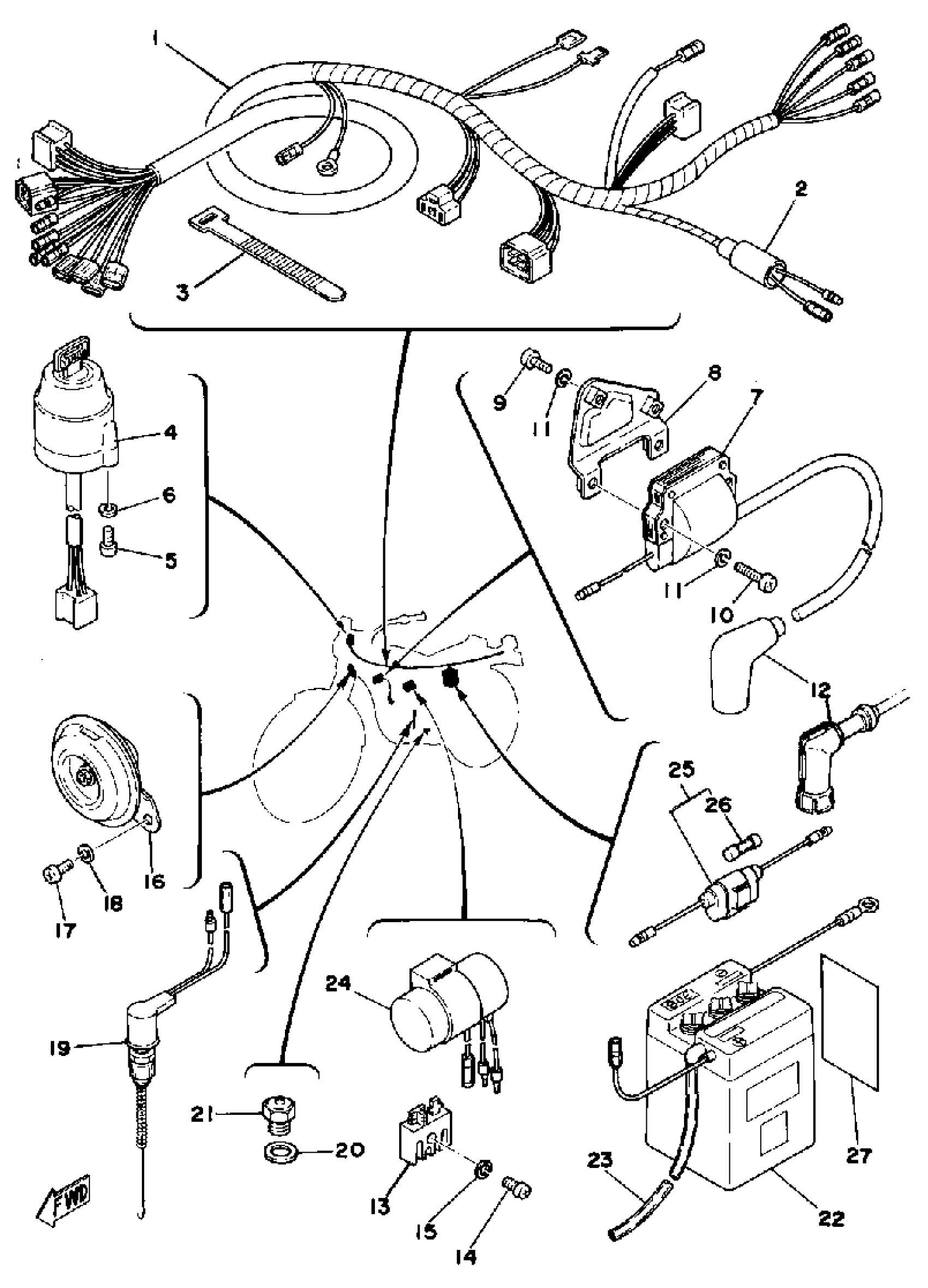
Yamaha DT100D (DT100D) 1977 ELECTRICAL Diagram
#
Description
Price
1
WIRE HARNESS ASSEMBLY
(1T9-82590-21-00)
Unavailable
2
COVER, CONNECTER
(307-82599-01-00)
Unavailable
4
MAIN SWITCH ASSEMBLY
(1T9-82508-20-00)
Unavailable
4
UNAVAILABLE IN PRICE BOOK
1T9-82508-50-00
Unavailable
5
SCREW, PAN HEAD(62X)
97885-05010-00
Unavailable
7
IGNITION COIL ASSY
355-82310-40-00
Unavailable
8
BRACKET, IGNITION COIL
336-82316-01-00
Unavailable
9
SCREW, PAN HEAD(62J)
97885-06012-00
Unavailable
11
WASHER, SPRING
92995-06100-00
Unavailable
13
RECTIFIER ASSY
353-81970-M2-00
Unavailable
14
SCREW, PAN HEAD(4MY)
98507-05018-00
Unavailable
16
UNAVAILABLE IN PRICE BOOK
1K8-83371-01-00
Unavailable
17
SCREW, PAN HEAD(62J)
97885-06012-00
Unavailable
18
WASHER, SPRING
92995-06100-00
Unavailable
19
STOP SWITCH ASSEMBLY
2F5-82530-02-00
Unavailable
20
WASHER, PLATE
90201-12790-00
Unavailable
21
NEUTRAL SWITCH ASSY
136-82540-03-00
Unavailable
22
6N4-2A-2 GS BATTERY
6N4-2A200-00-00
Unavailable
23
HOSE
90445-08172-00
Unavailable
24
FLASHER RELAY ASSEMBLY
542-83350-60-00
Unavailable
25
FUSE HOLDER ASSY
55K-82150-02-00
Unavailable
26
FUSE
1A0-82151-00-00
Unavailable
27
LABEL, BATTERY
40A-82141-G0-00
Unavailable
