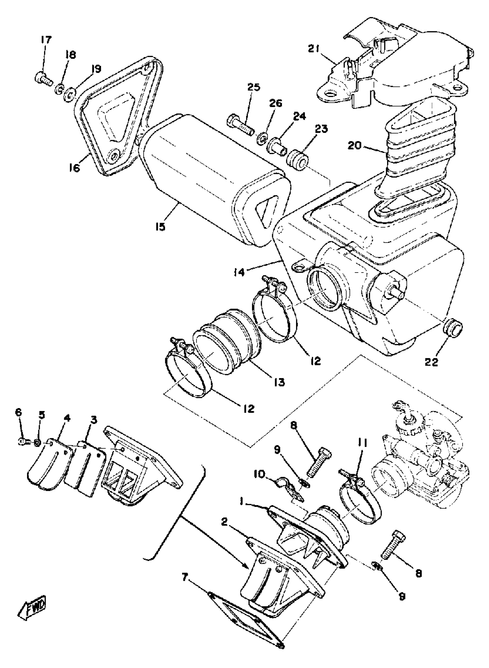
Yamaha DT100C (DT100C) 1976 INTAKE Diagram
#
Description
Price
1
JOINT, CARBURETOR
401-13565-01-00
Unavailable
4
. STOPPER, REED VALVE
345-13616-70-00
Unavailable
9
WASHER, SPRING
92995-06100-00
Unavailable
10
CLAMP 363154850100
90462-05005-00
Unavailable
14
CASE, AIR CLEANER 1
(558-14411-01-00)
Unavailable
15
ELEMENT, AIR CLEANER
437-14451-08-00
Unavailable
16
CAP, CLEANER CASE 1
437-14412-00-00
Unavailable
17
SCREW, PAN HEAD(62J)
97885-06012-00
Unavailable
18
WASHER, SPRING
92995-06100-00
Unavailable
19
YBS66-6 WASHER, PLAIN
92990-06200-00
Unavailable
20
DUCT
(437-14437-01-00)
Unavailable
21
COVER 2
(558-14418-01-00)
Unavailable
22
GROMMET 214217460000
90480-10091-00
Unavailable
23
GROMMET 839774310000
90480-14023-00
Unavailable
24
COLLAR 437216330000
90387-07391-00
Unavailable
26
WASHER, SPRING
92995-06100-00
Unavailable
