- Partiron
- OEM Parts
- Yamaha
- motorcycle
- 1974
- DT100A (DT100A) 1974
TAILLIGHT
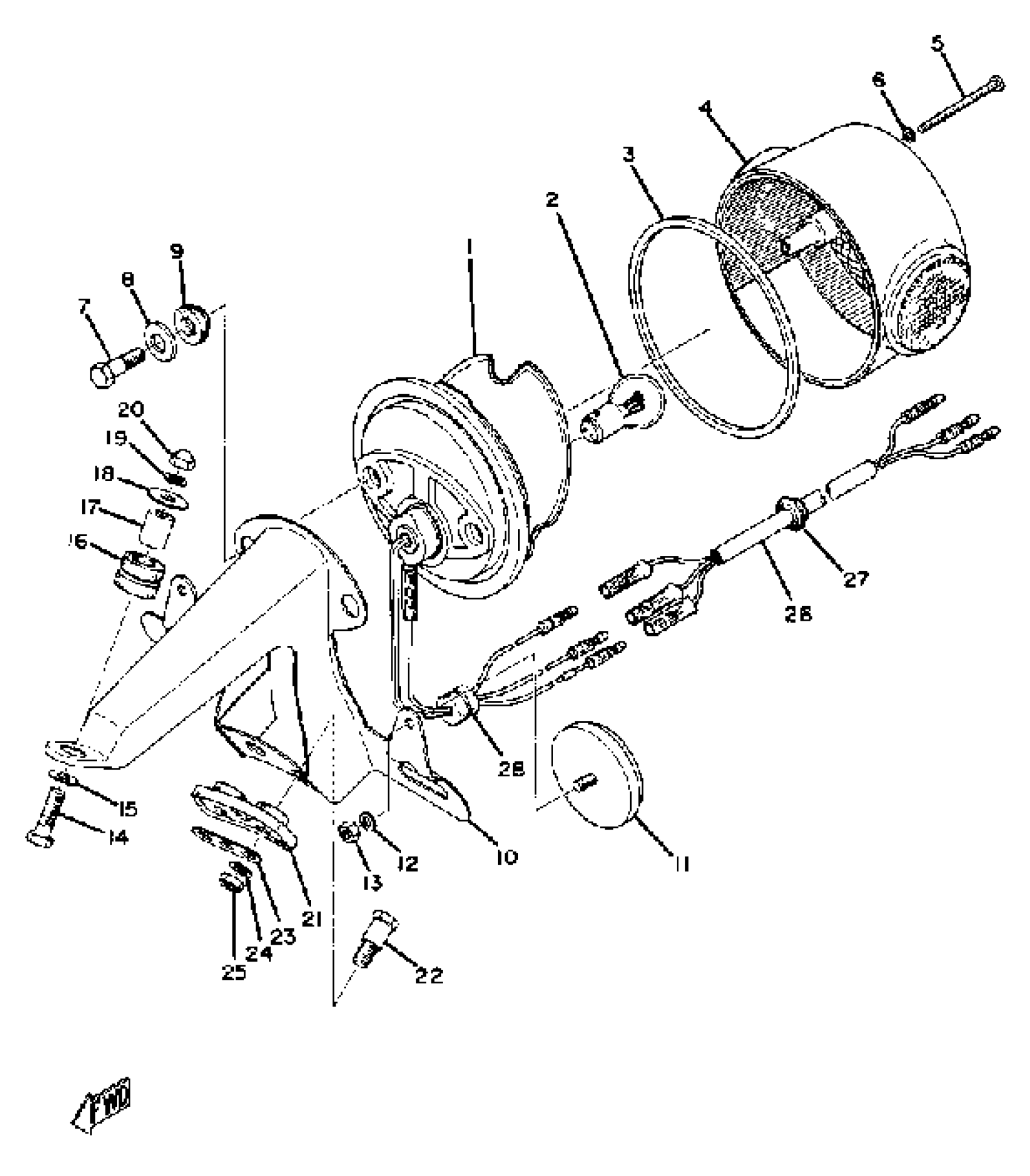
Yamaha DT100A (DT100A) 1974 TAILLIGHT Diagram
#
Description
Price
1
TAIL LIGHT UNIT ASSEMBLY
437-84510-62-00
Unavailable
1
BASE, TAILLIGHT
(444-84711-61-00)
Unavailable
2
. BULB
1M1-84514-60-00
Unavailable
3
. GASKET, LENS
275-84523-60-00
Unavailable
4
. LENS, TAIL LIGHT
341-84721-60-00
Unavailable
5
SCREW, PANHEAD (4G7)
98580-04055-00
Unavailable
6
. WASHER
341-84722-60-00
Unavailable
7
SCREW
(479-84526-00-00)
Unavailable
9
. DAMPER
275-84527-60-00
Unavailable
10
BRACKET, LICENCE
(437-84551-61-20)
Unavailable
15
WASHER, PLATE
90201-06380-00
Unavailable
16
GROMMET 839774310000
90480-14023-00
Unavailable
17
COLLAR (J10)
90387-06026-00
Unavailable
18
WASHER
90209-06012-00
Unavailable
19
WASHER, SPRING
92995-06100-00
Unavailable
20
NUT (J17)
95380-06800-00
Unavailable
21
DAMPER
214-84553-01-00
Unavailable
22
BOLT 168217380000
90109-06017-00
Unavailable
23
WASHER, SPEC''L SHAP
90209-10114-00
Unavailable
24
YBS66-6 WASHER, PLAIN
92990-06200-00
Unavailable
25
NUT, HEXAGON
95380-06600-00
Unavailable
26
CORD, TAILLIGHT
(437-84517-00-00)
Unavailable
27
GROMMET 152845180000
90480-12013-00
Unavailable
28
GROMMET (438)
90480-15061-00
Unavailable
