- Partiron
- OEM Parts
- Yamaha
- motorcycle
- 1974
- DT100A (DT100A) 1974
REAR ARM REAR CUSHION CHAIN CASE
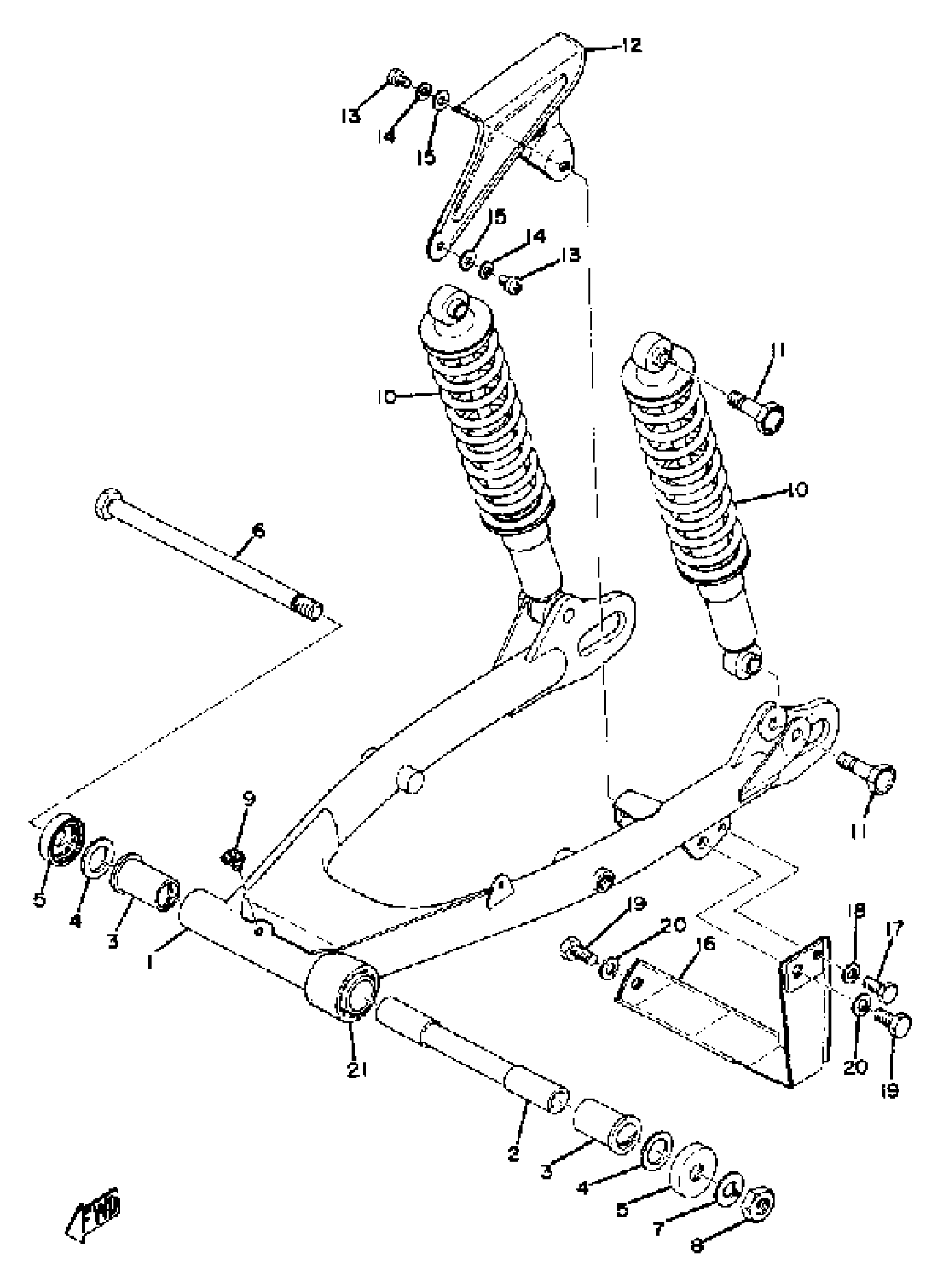
Yamaha DT100A (DT100A) 1974 REAR ARM REAR CUSHION CHAIN CASE Diagram
#
Description
Price
1
REAR ARM
(437-22110-00-33)
Unavailable
2
BUSH 2
18G-22124-00-00
Unavailable
6
SHAFT, PIVOT
537-22141-01-00
Unavailable
10
SHOCK ABS ASSY, REAR
305-22210-20-00
Unavailable
11
BOLT
90109-10195-00
Unavailable
12
CASE, CHAIN
(437-22311-02-33)
Unavailable
13
SCREW, PAN HEAD(62X)
97885-05010-00
Unavailable
15
. WASHER, PLAIN
92990-05200-00
Unavailable
16
GUARD, CHAIN
(248-22318-00-33)
Unavailable
17
BOLT, HEXAGON
97017-06020-00
Unavailable
18
WASHER, SPRING
92995-06100-00
Unavailable
19
BOLT(JA9)
90101-08691-00
Unavailable
20
YBS67-8 WASHER, SPRING
92990-08100-00
Unavailable
21
SEAL, GUARD
(437-22151-00-00)
Unavailable
