- Partiron
- OEM Parts
- Yamaha
- motorcycle
- 1968
- DT1 (DT1) 1968
ELECTRICAL
Yamaha DT1 (DT1) 1968 ELECTRICAL Diagram
#
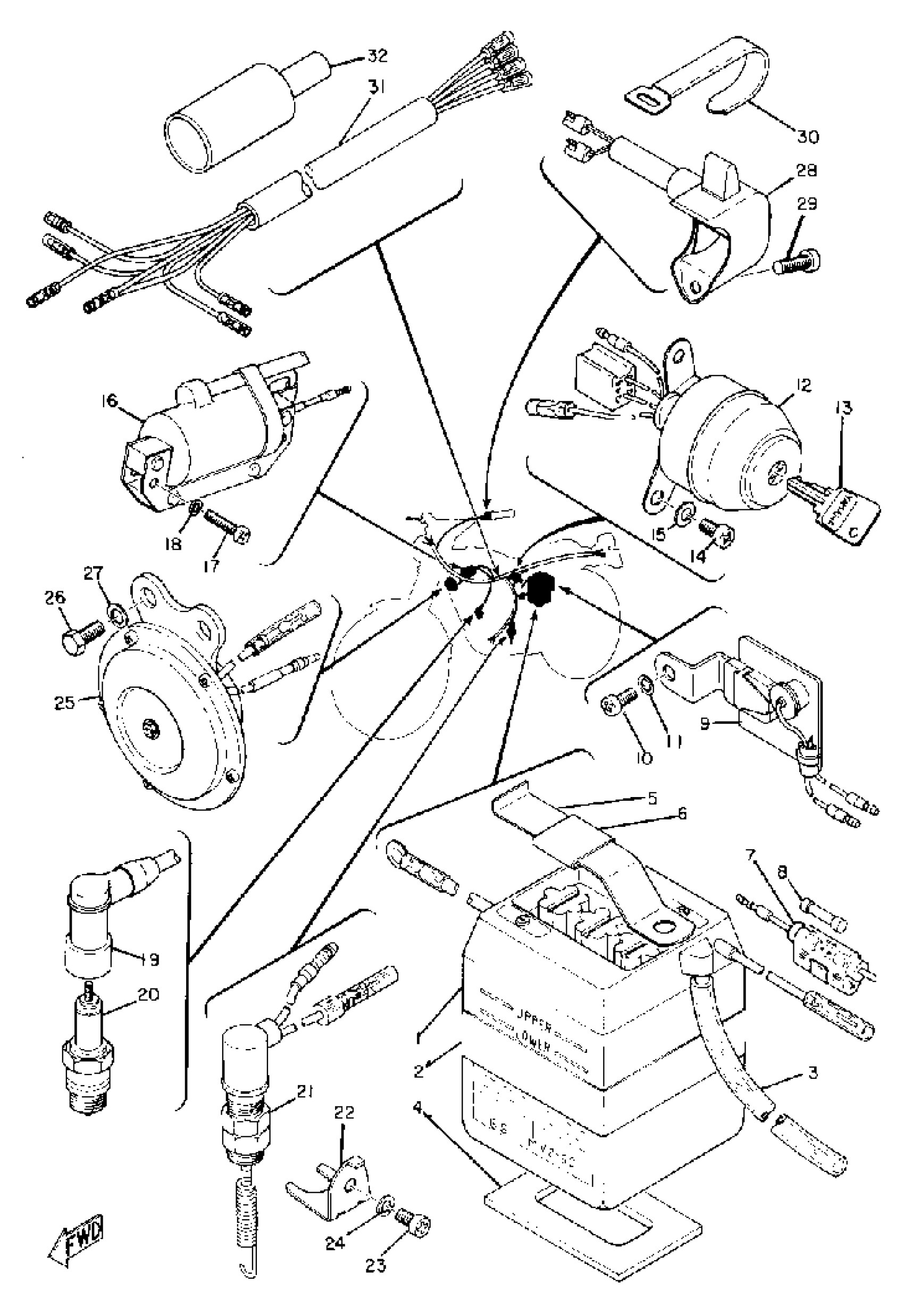
1
CAP, BATTERY
(104-82111-10-00)
Unavailable
1
SCREW, PAN HEAD(62X)
97885-05010-00
Unavailable
1
SCREW, PAN HEAD(62X)
97885-05010-00
Unavailable
1
SCREW, PAN HEAD(6B0)
97885-05016-00
Unavailable
1
SCREW, PAN HEAD
98580-05020-00
Unavailable
1
6N2-2A-3 GS BATTERY
6N2-2A300-00-00
Unavailable
2
BAND, BATTERY
214-82124-00-00
Unavailable
3
PIPE,BREATHER
2RH-21826-00-00
Unavailable
4
SEAT, BATTERY
(214-82122-00-00)
Unavailable
5
BAND, BATTERY
(214-82131-00-00)
Unavailable
6
NO LONGER AVAILABLE
214-82121-00-00
Unavailable
9
RECTIFIER ASSY
315-81970-61-00
Unavailable
10
SCREW, PAN HEAD
(92503-05012-00)
Unavailable
11
YBS67-5 WASHER, SPRING
92990-05100-00
Unavailable
12
MAIN SWITCH ASSEMBLY
(214-82508-20-00)
Unavailable
13
TOOL
UNA-VAILA-BL-EI
Unavailable
14
SCREW
92503-05008-00
Unavailable
15
YBS67-5 WASHER, SPRING
92990-05100-00
Unavailable
16
IGNITION COIL ASSEMBLY
214-82310-09-00
Unavailable
17
SCREW, PAN HEAD(4MY)
98507-05018-00
Unavailable
18
YBS67-5 WASHER, SPRING
92990-05100-00
Unavailable
19
PLUG CAP ASSY
56J-82370-00-00
Unavailable
20
B7ES NGK SPLUG 4PK
B7E-S0000-00-00
Unavailable
21
STOP SWITCH ASS'Y
214-82530-00-00
Unavailable
22
ATTACH, STOP SWITCH
(214-82537-00-00)
Unavailable
23
SCREW
92503-05008-00
Unavailable
24
YBS67-5 WASHER, SPRING
92990-05100-00
Unavailable
25
HORN
266-83371-12-00
Unavailable
26
BOLT (661)
97013-06012-00
Unavailable
27
WASHER, SPRING
92995-06100-00
Unavailable
28
SWITCH, HANDLE 2
214-83975-09-00
Unavailable
29
SCREW, PAN HEAD(6B0)
97885-05016-00
Unavailable
30
BAND, SWITCH CORD
437-83936-01-00
Unavailable
31
WIRE HARNESS ASSEMBLY
(233-82590-21-00)
Unavailable
32
COVER, CONNECTER
(214-82599-00-00)
Unavailable
