- Partiron
- OEM Parts
- Suzuki
- Motorcycle
- 1979
- DS80 (1979)
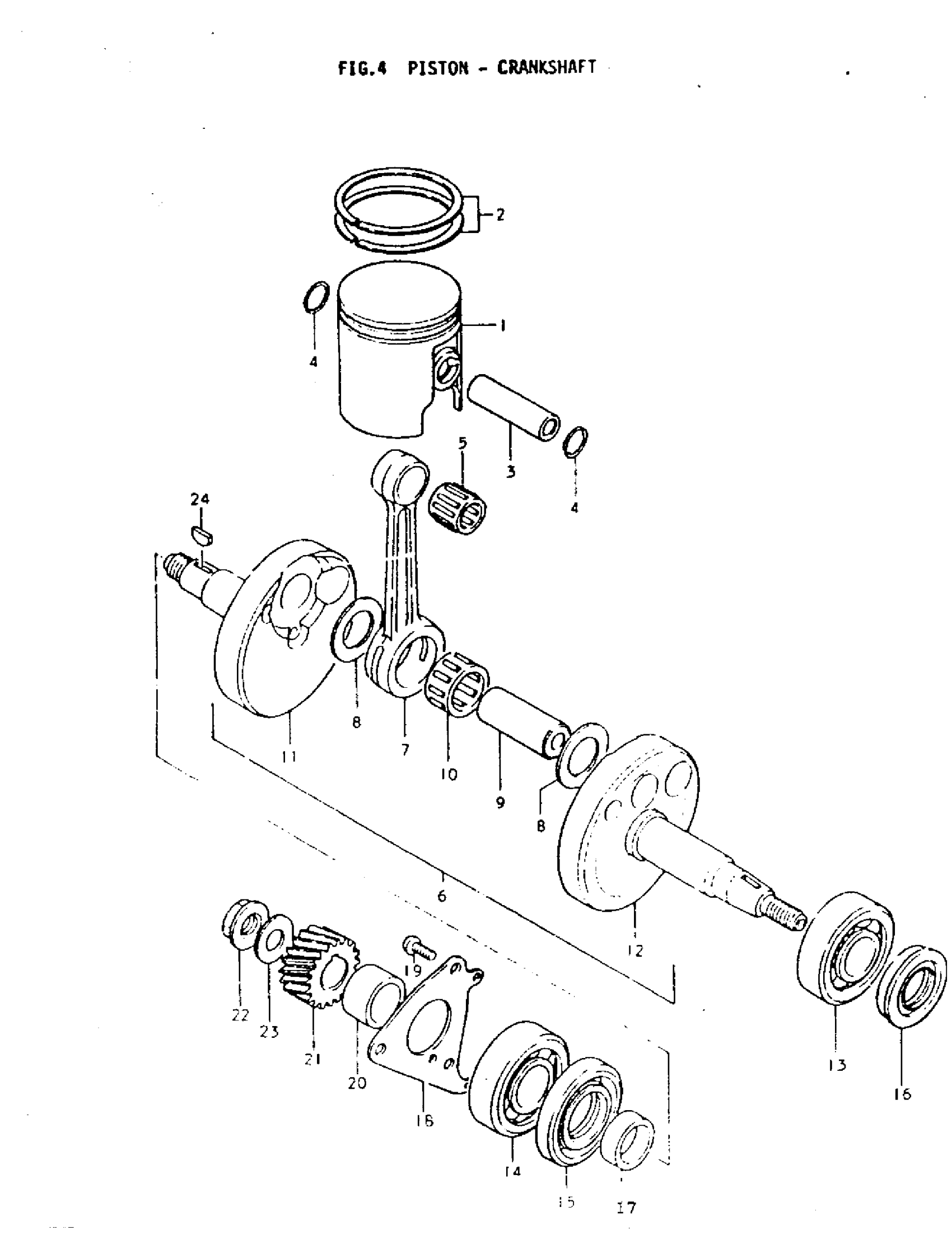
PISTON-CRANKSHAFT
Suzuki DS80 (1979) PISTON-CRANKSHAFT Diagram
#
Description
Price
2
RING SET, PISTON (OS:0.5) | OS:0.5, OPT This part replaces 12140-36770.
12140-46000-050
Unavailable
6
CRANKSHAFT ASSY
12200-46400
Unavailable
11
CRANKSHAFT, RH This part replaces 12221-46000.
12220-46810
Unavailable
12
CRANKSHAFT, LH
12261-46400
Unavailable
14
BEARING, RH (20X47X14) This part replaces 09262-20045.
09262-20064
Unavailable
21
GEAR, PRIMARY DRIVE
21111-46000
Unavailable
23
WASHER
09164-12016
Unavailable
