- Partiron
- OEM Parts
- Suzuki
- Motorcycle
- 1979
- DS80 (1979)
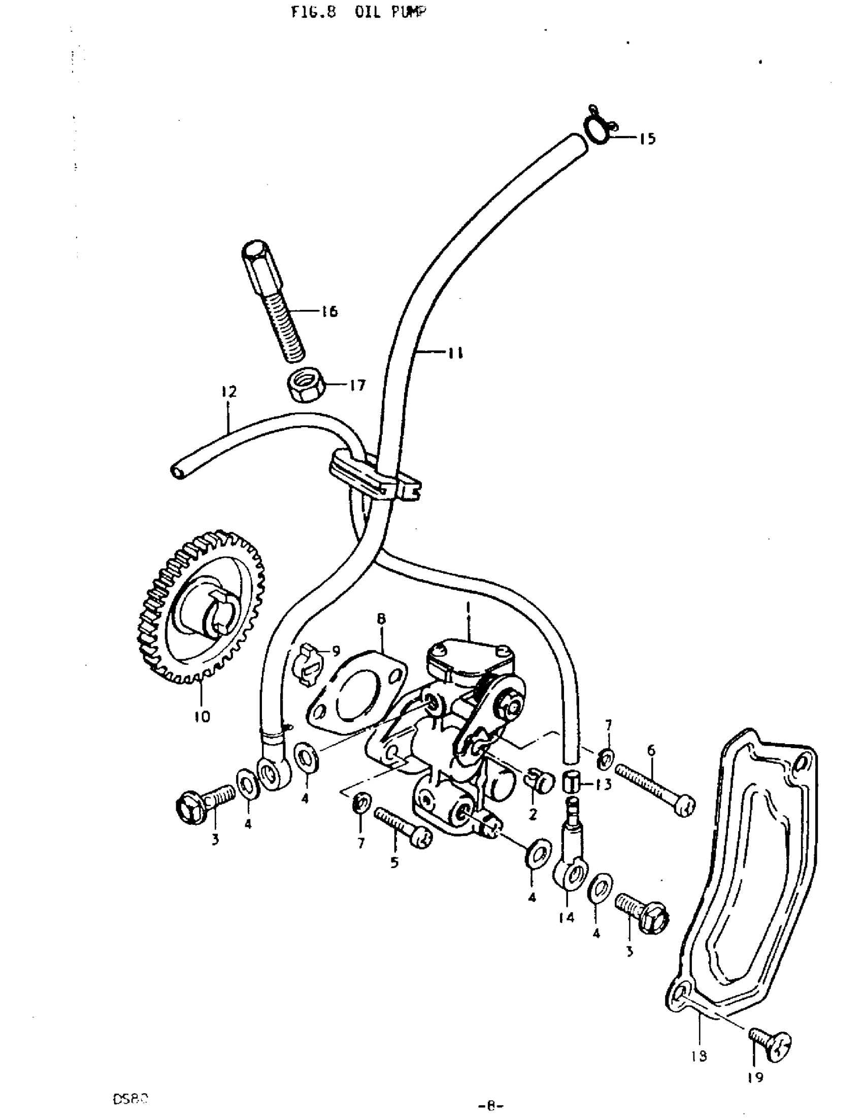
OIL PUMP
Suzuki DS80 (1979) OIL PUMP Diagram
#
Description
Price
10
GEAR, OIL PUMP DRIVE
16320-46131
Unavailable
11
HOSE, OIL (L:512!97) This part replaces 16810-46100.
16810-07520
Unavailable
12
HOSE,NO.2 This part replaces 16820-46101.
16820-46103
Unavailable
14
CHECK VALVE
16710-35010
Unavailable
18
NO DESCRIPTION AVAILABLE This part replaces 11385-46100.
11301-46890
Unavailable
