- Partiron
- OEM Parts
- Suzuki
- Motorcycle
- 1979
- DS80 (1979)
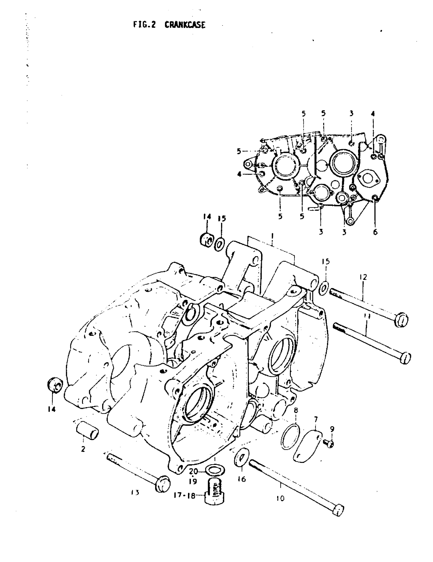
CRANKCASE
Suzuki DS80 (1979) CRANKCASE Diagram
#
Description
Price
10
BOLT, NO.1 | 8X115
09100-06027
Unavailable
11
BOLT, NO.2 | 8X100
09100-08023
Unavailable
