- Partiron
- OEM Parts
- Yamaha
- motorcycle
- 1969
- DS6C (DS6C) 1969
CRANKCASE
Yamaha DS6C (DS6C) 1969 CRANKCASE Diagram
#
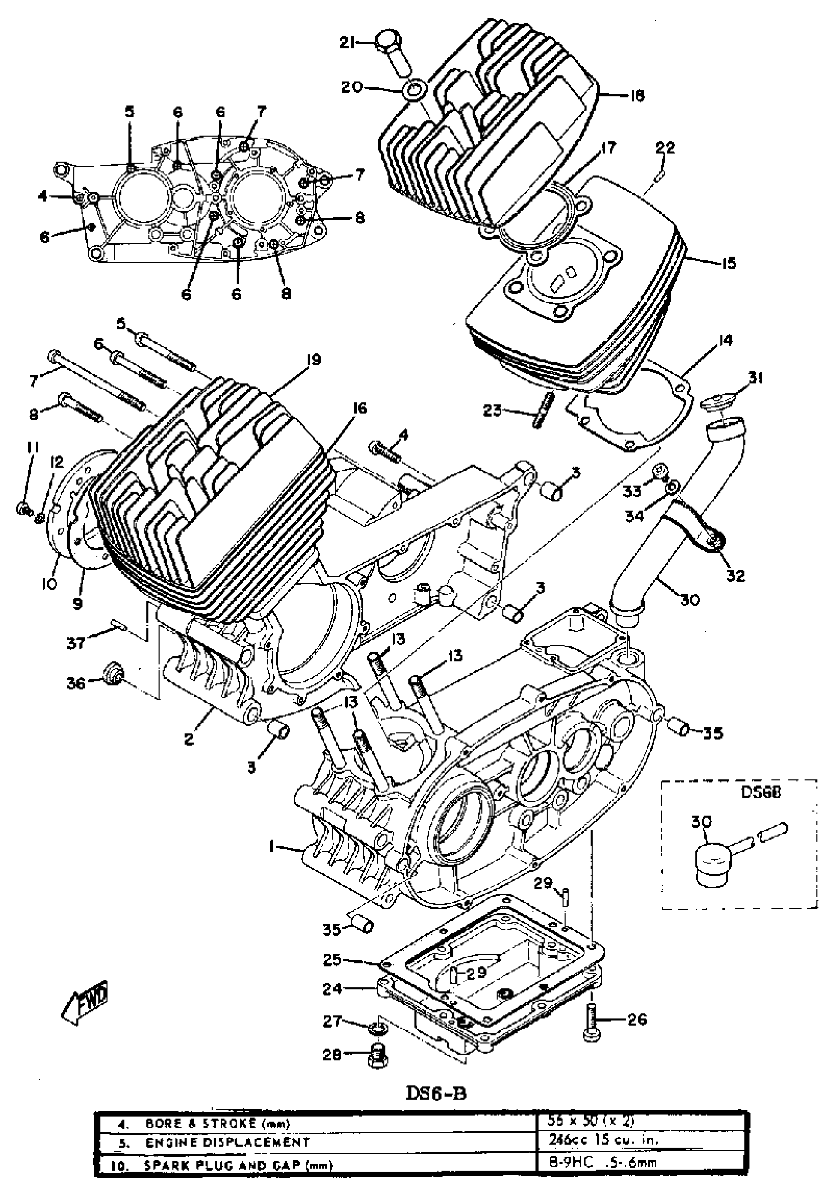
1
CRANKCASE ASSEMBLY 1
(246-15110-00-00)
Unavailable
2
CRANKCASE 2
(246-15121-00-00)
Unavailable
3
PIN, DOWEL
(91810-08025-00)
Unavailable
5
SCREW, BIND (JH1)
98580-06560-00
Unavailable
6
SCREW, PANHED (GC2)
98580-06555-00
Unavailable
7
SCREW, PAN HEAD
(92501-06105-00)
Unavailable
9
GASKET, OIL SEAL HOUSING
156-15369-00-00
Unavailable
10
HOUSING, OIL SEAL
(156-15359-01-00)
Unavailable
12
WASHER, EX.TOOTH
92990-05400-00
Unavailable
14
GASKET,CYLINDER
246-11351-09-00
Unavailable
15
CYLINDER 1
(246-11311-00-00)
Unavailable
16
CYLINDER 2
(246-11321-00-00)
Unavailable
17
GASKET, CYLINDER HEAD 1
246-11181-00-00
Unavailable
18
HEAD, CYLINDER 1
(246-11111-00-00)
Unavailable
19
HEAD, CYLINDER 2
(246-11121-00-00)
Unavailable
20
WASHER PLATE 278111750000
90201-12362-00
Unavailable
21
NUT (3V6)
90179-08303-00
Unavailable
22
PIN, DOWEL
93602-10061-00
Unavailable
23
BOLT, STUD (17W)
90116-08408-00
Unavailable
24
COVER, SHIFTER 1
(204-15419-00-00)
Unavailable
25
GASKET, SHFTR COVER
(204-15459-00-00)
Unavailable
26
SCREW PAN HEAD
98580-06020-00
Unavailable
27
WASHER, PROTECTOR
4F4-14766-00-00
Unavailable
28
PLUG, STRAIGHT SCREW
90340-14119-00
Unavailable
29
PIN,DOWEL (137)
93604-14012-00
Unavailable
30
BREATHER
(204-15371-00-00)
Unavailable
30
GUIDE, INLET
(247-15377-00-00)
Unavailable
31
BREATHER
(204-15371-00-00)
Unavailable
32
HOLDER, GUIDE
(247-15376-00-00)
Unavailable
33
SCREW, PAN HEAD(6A3)
97885-06008-00
Unavailable
34
WASHER, SPRING
92995-06100-00
Unavailable
35
PIN, DOWEL(3VD)
99530-10114-00
Unavailable
36
GROMMET
(90480-12011-00)
Unavailable
37
PIN,DOWEL (137)
93604-14012-00
Unavailable
