DS 250, 2016
03- Magneto Cover And Water Pump
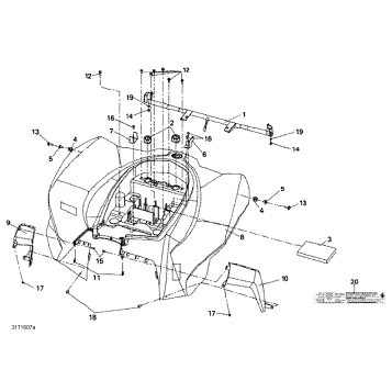
09- Rear Fender North America
01- Air Injection System North America
07- Handlebar North America, International
07- Steering Linkage Europe, International
07- Steering Linkage North America
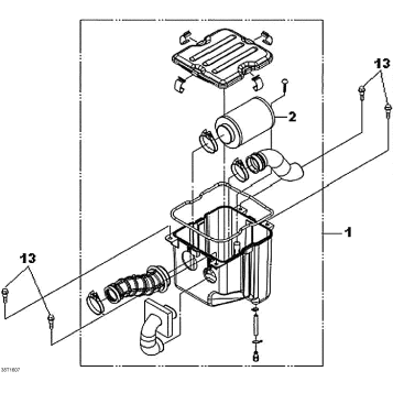
01- Air Cleaner
01- Balance Shaft
01- Breather And Timing Chain
01- Cooling System
01- Crankshaft and Pistons
01- Cylinder
01- Cylinder Head Cover
01- Cylinder Head International
01- Cylinder Head North America
01- Engine
01- Exhaust System International
01- Exhaust System North America
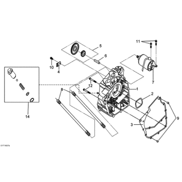
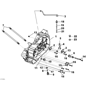
01- Left Crankcase Half
01- Right Crankcase Half
02- Carburetor
02- Fuel System
02- Oil Pump
03- Magneto
05- CVT Cover
05- Drive Pulley
05- Driven Pulley
05- Gear Box
05- Gear Shift
06- Front Brake Europe, International
06- Front Brake North America
06- Rear Brake
07- Front Suspension North America
07- Shocks
07- Wheels And Tires
08- Drive Shaft
08- Rear Swing Arm North America
09- Body And Accessories, Front View North America
09- Frame International
09- Front Bumper And Footrests North America, International
09- Front Fender International
09- Front Fender North America
09- Hitch
09- Mirrors And Tools
09- Rear Fender International
09- Rear Frame North America, International
09- Rear Reflectors North America, International
09- Seat
10- Electrical Components International
10- Electrical Components North America
10- Headlights North America, International
Fuel Your Passion
Parts That Keep You Riding
Edit ride