Mini DS 90 4-strokes, 2002
01- Air Cleaner, Exhaust (172-15)
01- Camshaft, Valve (172-03)
01- Crankcase, Oil Pump (172-09)
01- Crankshaft And Pistons (172-10)
01- Cylinder Head Cover, Inlet Pipe 172-01
01- Cylinder, Cylinder Head 172-02
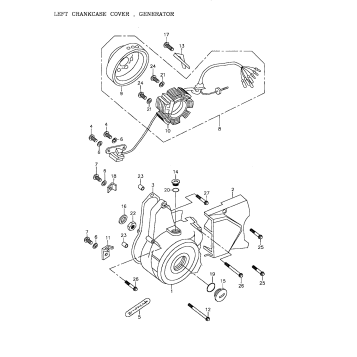
01- Left Crankcase Cover, Generator 172-07
01- Right Crankcase Cover 172-05
02- Carburetor 172-14
02- Fuel Tank 172-19
04- Kick Starter 172-12
04- Starting Motor 172-08
05- Cam Chain, Tensioner 172-04
05- Clutch 172-06
05- Gear Shift 172-13
05- Rear Wheel Axle, Chain 172-26
05- Transmission 172-11
06- Front Brake 172-22
06- Rear Brake 172-23
07- Front Wheel, Suspension 172-20
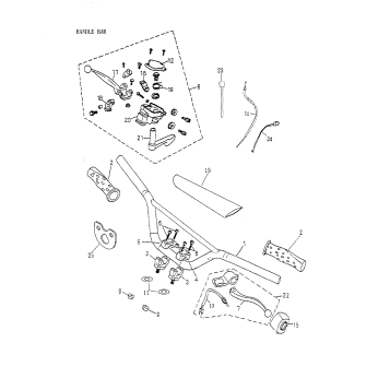
07- Handlebar 172-24
07- Steering System 172-27
08- Rear Wheel 172-21
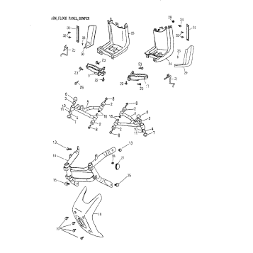
09- Arm, Foot Rest, Bumper 172-17
09- Body Cover, Seat 172-18
09- Decals 172-28
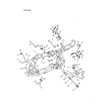
09- Frame And Body 172-16
10- Tail Light, Electrical Parts 172-25
Fuel Your Passion
Parts That Keep You Riding
Edit ride