Mini DS 50 2-strokes, 2002
01- Camshaft, Piston (166-02)
01- Crankcase (166-08)
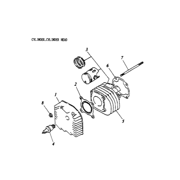
01- Cylinder, Cylinder Head 166-01
01- Exhaust 166-07
01- Fan, Air Shroud 166-03
01- Reed Valve, Air Cleaner 166-05
02- Carburetor 166-06
02- Fuel Tank, Oil Tank 166-16
02- Oil Pump 166-04
04- Generator, Starting Motor 166-12
04- Starter 166-09
05- Clutch 166-10
05- Rear Wheel Axle, Chain 166-22
05- Transmission 166-11
06- Front Brake 166-19
06- Rear Brake 166-20
07- Front Wheel, Suspension 166-17
07- Handlebar 166-21
07- Steering System 166-23
08- Rear Wheel 166-18
09- Arm, Foot Rest, Bumper 166-14
09- Body Cover, Seat 166-15
09- Decals 166-25
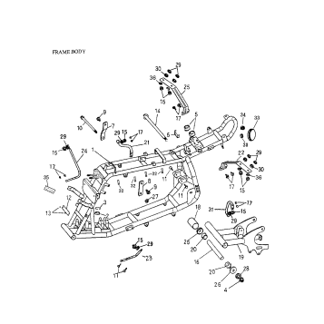
09- Frame And Body 166-13
10- Electrical Components 166-24
Fuel Your Passion
Parts That Keep You Riding
Edit ride