- Partiron
- OEM Parts
- Can-Am
- ATV
- 2001
- DS 650, 2001
- DS 650, 7449, 2001
Rear Suspension
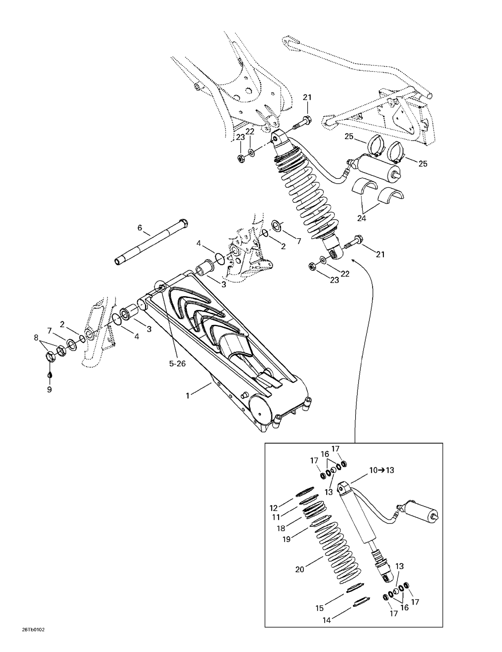
Can-Am DS 650, 7449, 2001 Rear Suspension Diagram
#
Description
Price
1
Swing Arm
706000080
Unavailable
2
O-RING - Call your local BRP dealership
293300074
Unavailable
3
Cushion
706000089
Unavailable
6
PIVOT BOLT - Call your local BRP dealership
706000102
Unavailable
7
WASHER - Call your local BRP dealership
293050003
Unavailable
8
JAM NUT M20 - Call your local BRP dealership
250100009
Unavailable
10
Rear Shock | Includes 7 - 10.
706000058
Unavailable
11
SHOCK SPRING STOPPER - Call your local BRP dealership
706000062
Unavailable
12
STOPPER RING - Call your local BRP dealership
706000082
Unavailable
13
Ball Joint
706000105
Unavailable
14
SPRING STOPPER - Call your local BRP dealership
706000061
Unavailable
15
SPRING GUIDE - Call your local BRP dealership
706000060
Unavailable
16
SEAL - Call your local BRP dealership
293250111
Unavailable
17
CUSHION - Call your local BRP dealership
706000103
Unavailable
18
Rear Spring (Short)
706000059
Unavailable
19
Spring Spacer
706000079
Unavailable
20
Rear Spring (Long)
706000077
Unavailable
22
Washer
732900048
Unavailable
23
NUT-STOP ELASTIC DIN.985 - Call your local BRP dealership
232521414
Unavailable
24
PROTECTOR - Call your local BRP dealership
293830083
Unavailable
26
Synthetic Grease, 400 G
293550010
Unavailable
