Partiron

Suzuki DR650SEL5 (2015) FRONT CALIPER Diagram

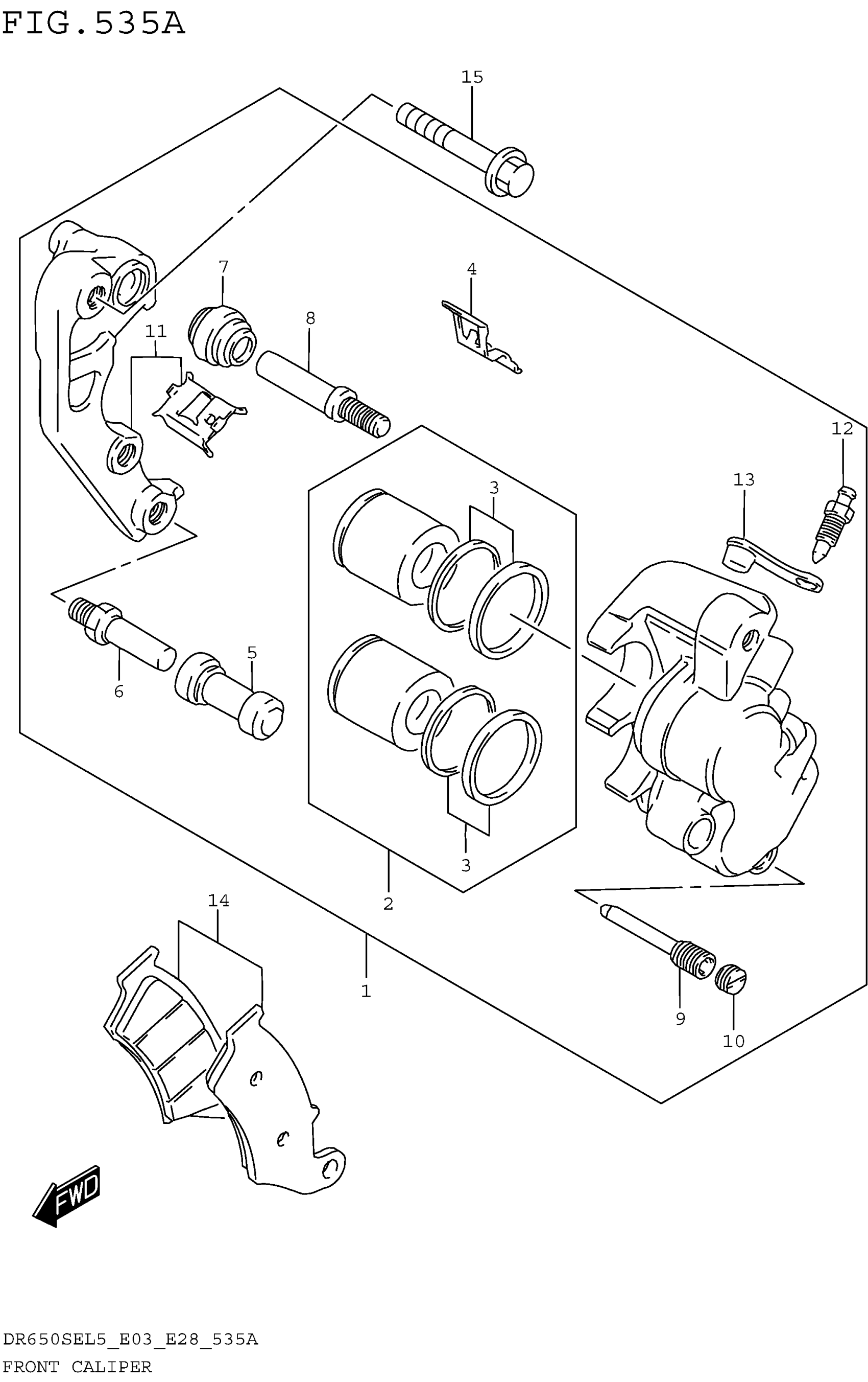
#

Description
Price

1

CALIPER ASSY,FR LH

59300-13E01-999

$354.50

2

PISTON SET

59300-27840

$48.34

3

SEAL SET, PISTON

59300-13820

$18.77

4

SPRING

59315-13E00

$15.16

5

BOOT

59386-13A00

$7.95

6

PIN

59382-14500

$8.95

7

BOOT

59303-14500

$5.52

8

PIN

59305-27C00

$23.48

9

PIN

59345-13E00

$14.34

10

PLUG

59146-21E10

$6.15

11

BRACKET

59350-13E00

$135.95

12

BLEEDER

59121-01A00

$8.73

13

CAP

59122-01A00

$4.34

14

PAD SET

59300-13830

$41.62

15

BOLT (8X40)

09103-08338

$2.96