- Partiron
- OEM Parts
- Suzuki
- Motorcycle
- 2015
- DR650SEL5 (2015)
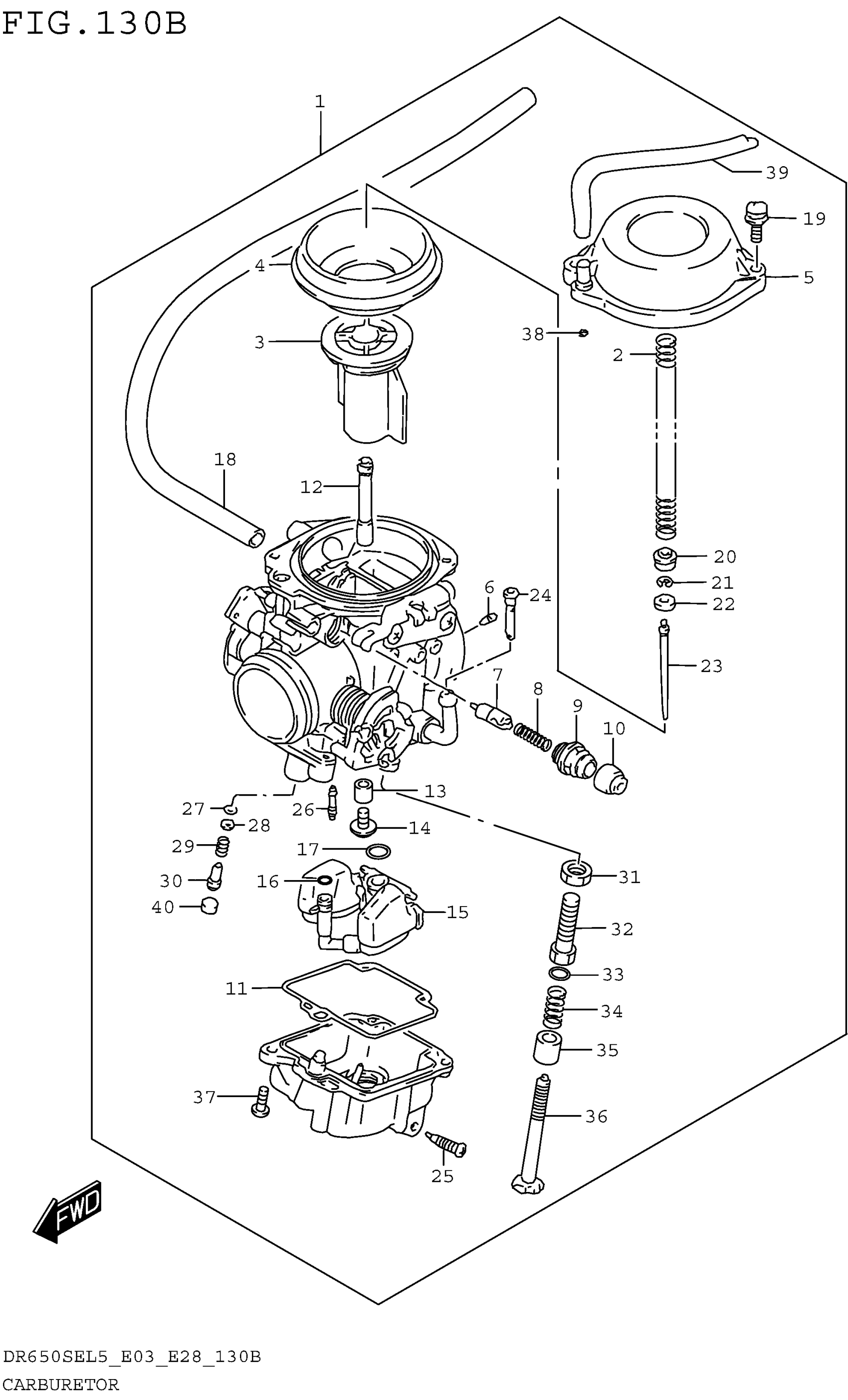
CARBURETOR (DR650SEL5 E28)
Suzuki DR650SEL5 (2015) CARBURETOR (DR650SEL5 E28) Diagram
#
Description
Price
CARBURETOR (DR650SEL5 E28)
#
Edit ride
