- Partiron
- OEM Parts
- Suzuki
- Motorcycle
- 2014
- DR650SEL4 (2014)
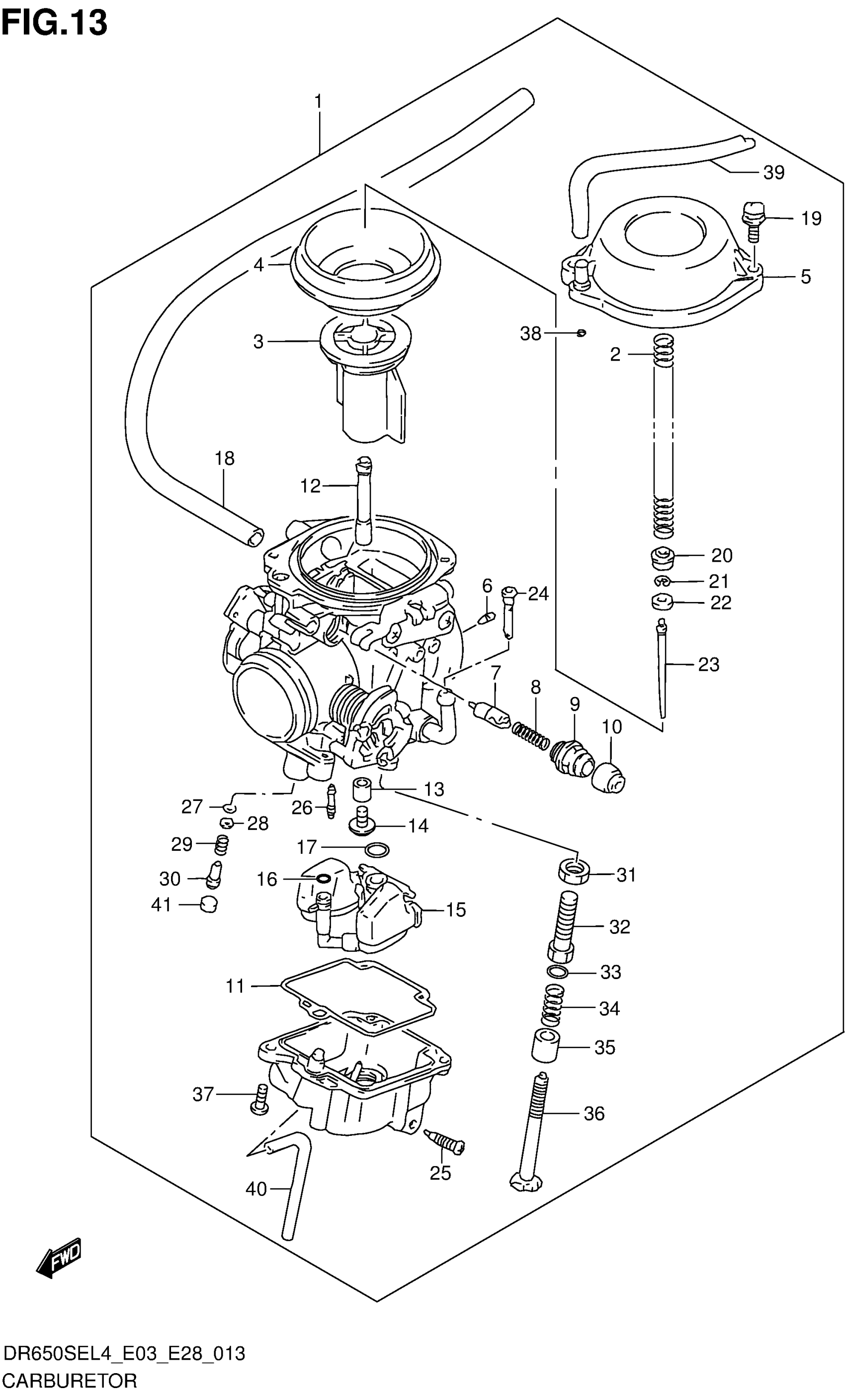
CARBURETOR (DR650SEL4 E33)
Suzuki DR650SEL4 (2014) CARBURETOR (DR650SEL4 E33) Diagram
#
Description
Price
CARBURETOR (DR650SEL4 E33)
#
Edit ride
