- Partiron
- OEM Parts
- Suzuki
- Motorcycle
- 2009
- DR650SE (2009)
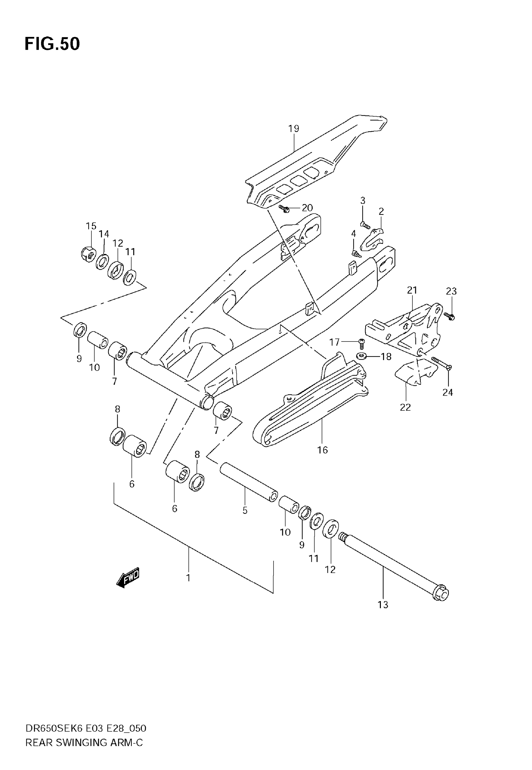
REAR SWINGING ARM
Suzuki DR650SE (2009) REAR SWINGING ARM Diagram
#
Description
Price
1
SWINGING ARM ASSY, REAR | Includes Item(s) 2 - 7 This part replaces 61000-32E00.
61000-32E20
$2,099.33
5
SPACER, PIVOT
61282-32E00
Unavailable
