- Partiron
- OEM Parts
- Suzuki
- Motorcycle
- 2019
- DR200SL9 (2019)
CARBURETOR (DR200SL9 E33)
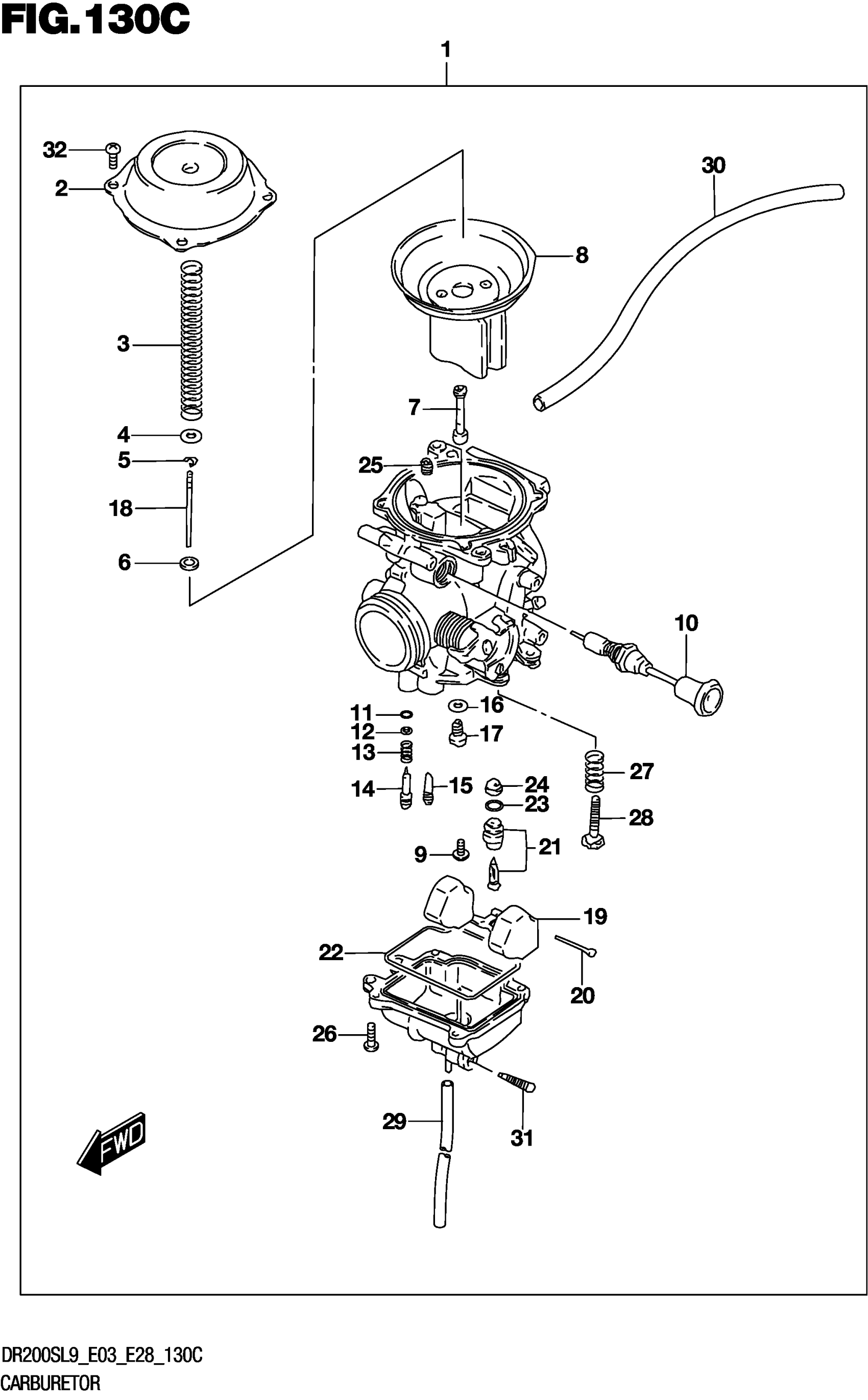
Suzuki DR200SL9 (2019) CARBURETOR (DR200SL9 E33) Diagram
#
Description
Price
CARBURETOR (DR200SL9 E33)
#
Edit ride
