- Partiron
- OEM Parts
- Suzuki
- Motorcycle
- 2018
- DR200SL8 (2018)
CARBURETOR (DR200SL8 E28)
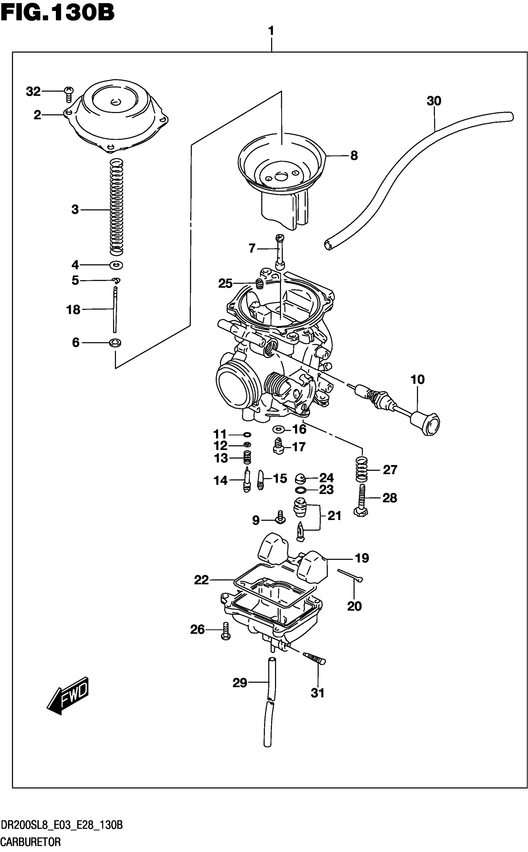
Suzuki DR200SL8 (2018) CARBURETOR (DR200SL8 E28) Diagram
#
Description
Price
CARBURETOR (DR200SL8 E28)
#
Edit ride
