- Partiron
- OEM Parts
- Suzuki
- Motorcycle
- 2016
- DR200SL6 (2016)
CARBURETOR (DR200SL6 E33)
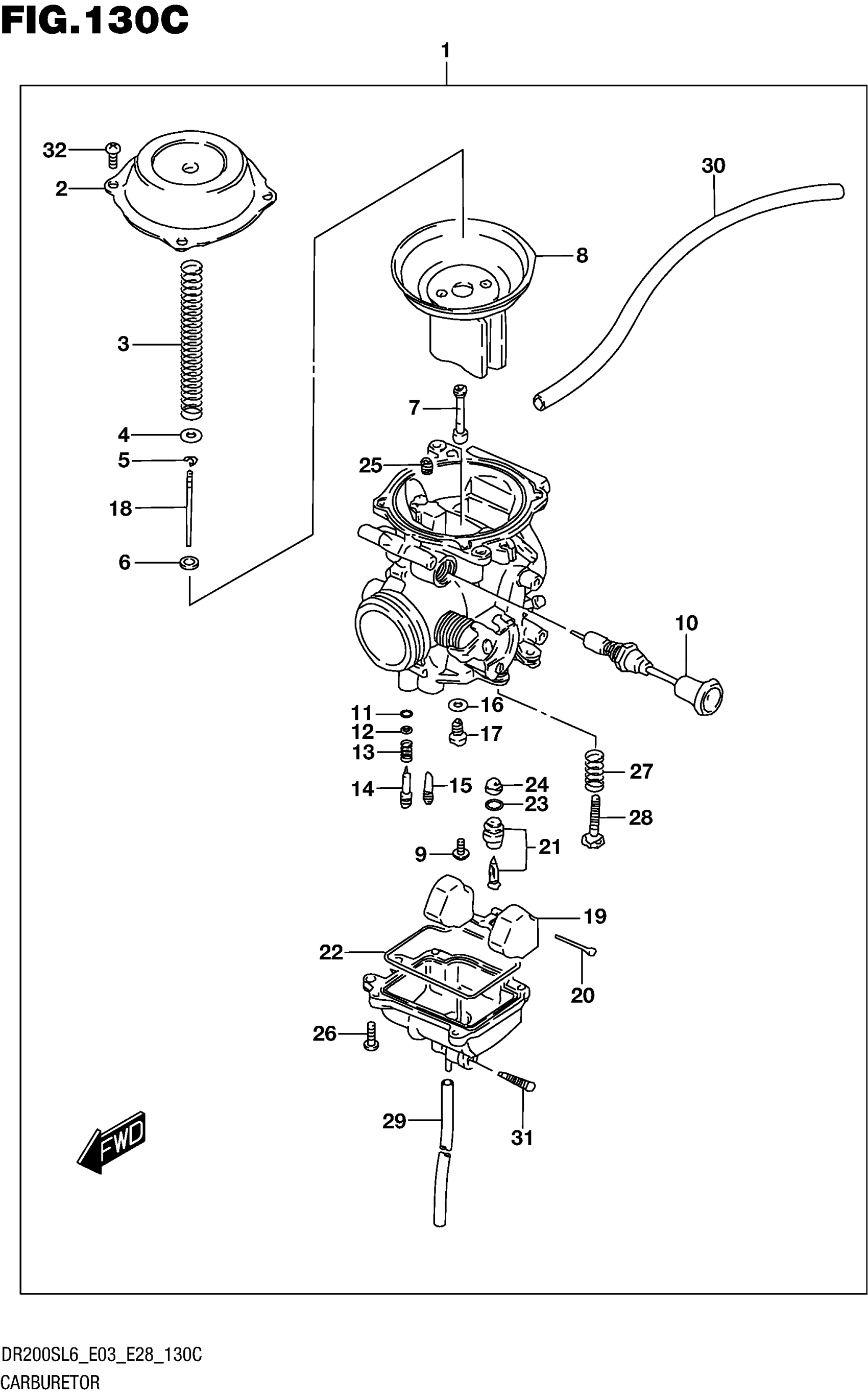
Suzuki DR200SL6 (2016) CARBURETOR (DR200SL6 E33) Diagram
#
Description
Price
CARBURETOR (DR200SL6 E33)
#
Edit ride
