Suzuki DR200SE (2013) FRAME Diagram
#
Description
Price
6
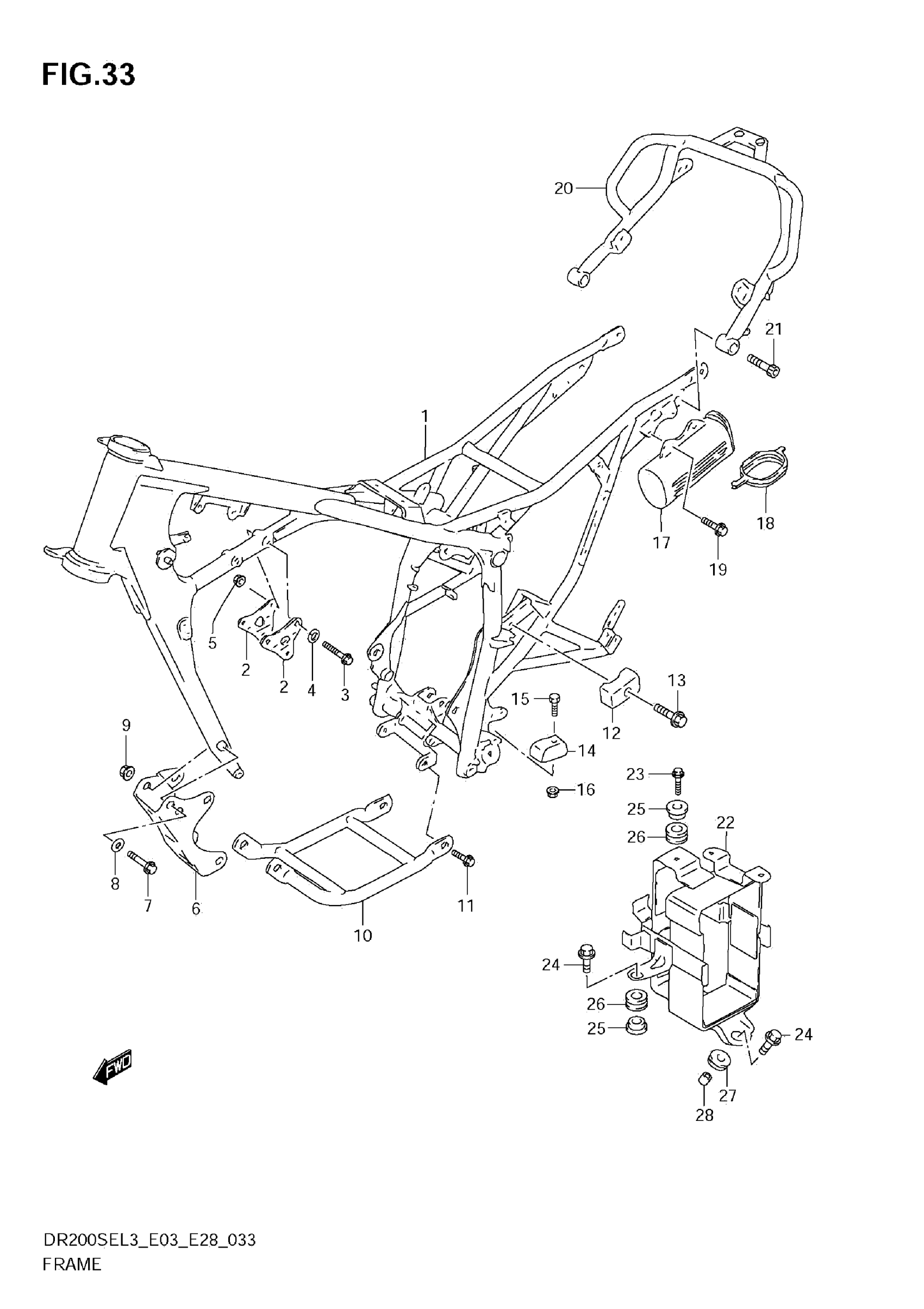
PLATE, MOUNT LOWER (GRAY)
41992-44AA1-YPT
Unavailable
10
PROTECTOR, ENGINE (GRAY)
42510-44AA0-YPT
Unavailable
20
GRIP, REAR (GRAY)
43980-44AB2-YPT
Unavailable
22
HOLDER, BATTERY
41540-44AA0
Unavailable
24
BOLT (6X25)
09116-06047
Unavailable
