- Partiron
- OEM Parts
- Suzuki
- Motorcycle
- 2013
- DR200SE (2013)
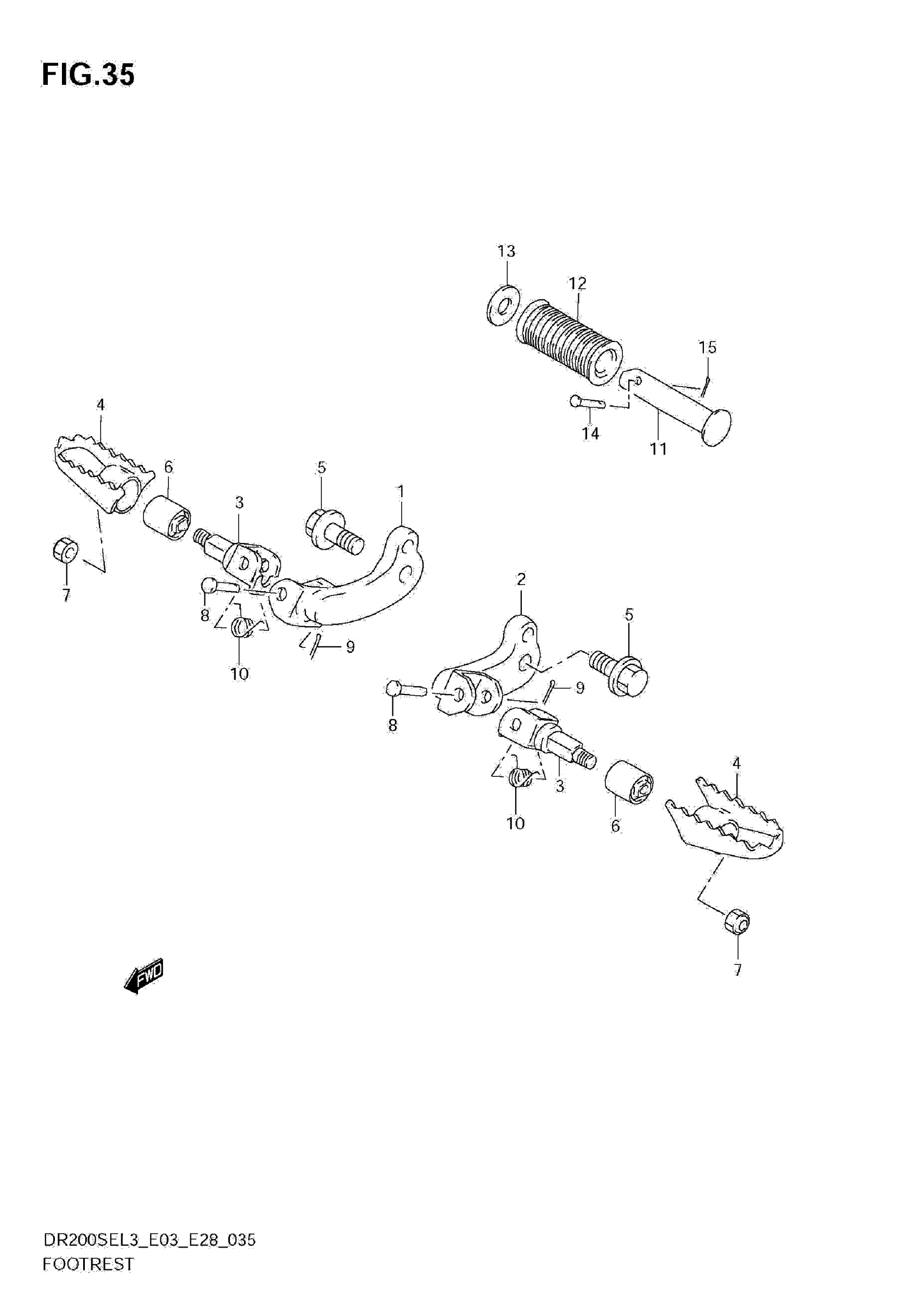
FOOTREST
Suzuki DR200SE (2013) FOOTREST Diagram
#
Description
Price
1
BAR, FRNT FOOTREST RH (BLACK)
43510-44A03-019
Unavailable
2
BAR, FRNT FOOTREST LH (BLACK)
43520-44A03-019
Unavailable
