Partiron

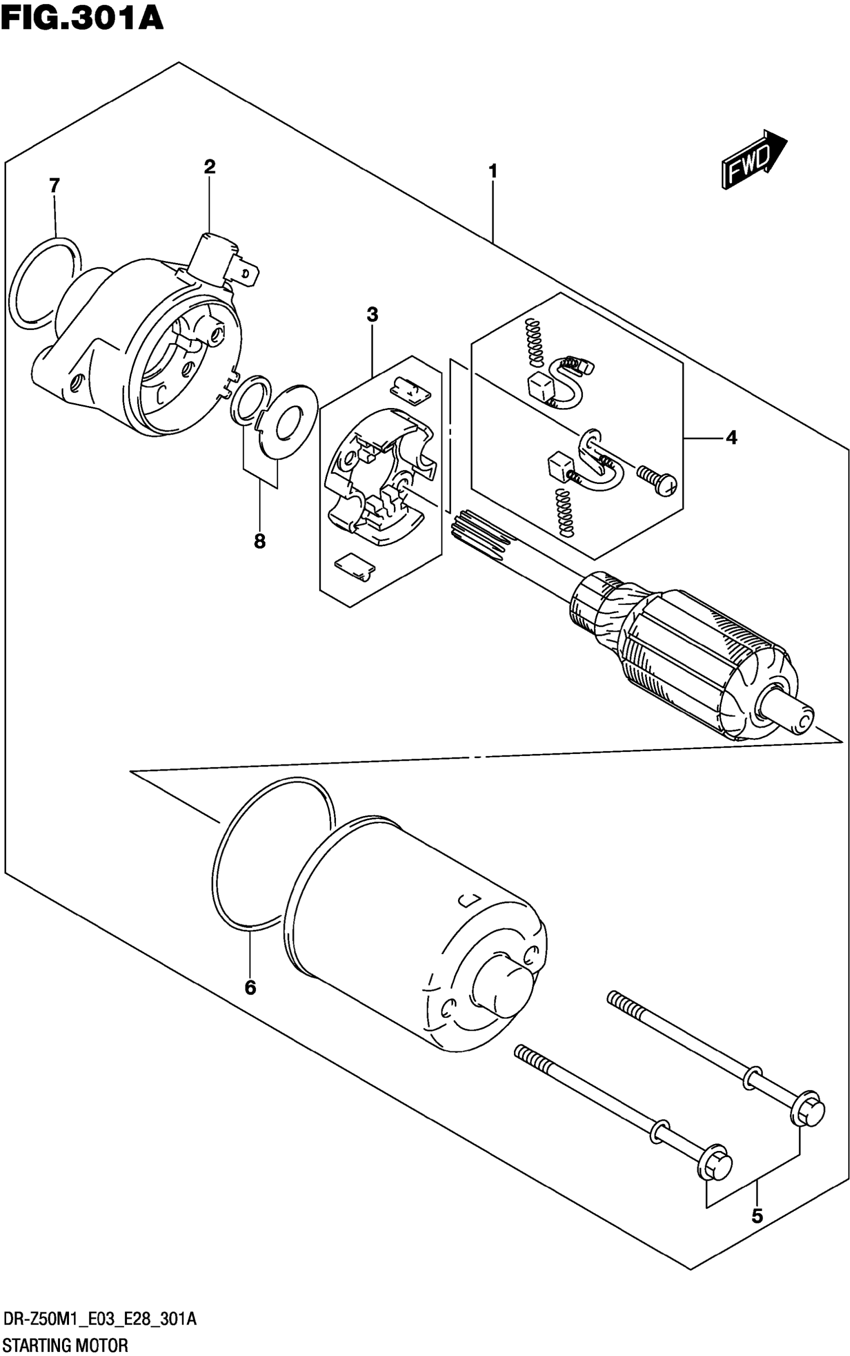
Suzuki DR-Z50M1 (2021) STARTING MOTOR Diagram

#

Description
Price

1

MOTOR ASSY,STARTING

31100-30D00

$424.48

2

.HOUSING ASSY

31151-30D01

Unavailable

3

.HOLDER SET,BRUSH

31130-35400

Unavailable

4

.BRUSH SET

31131-35400

Unavailable

5

.BOLT SET

31280-31C00

Unavailable

6

.O-RING

31158-35400

Unavailable

7

.O-RING (D:2.4,ID:24.7)

09280-25004

$2.03

8

.SHIM SET

31170-43400

Unavailable