- Partiron
- OEM Parts
- Suzuki
- Motorcycle
- 2017
- DR-Z400SML7 (2017)
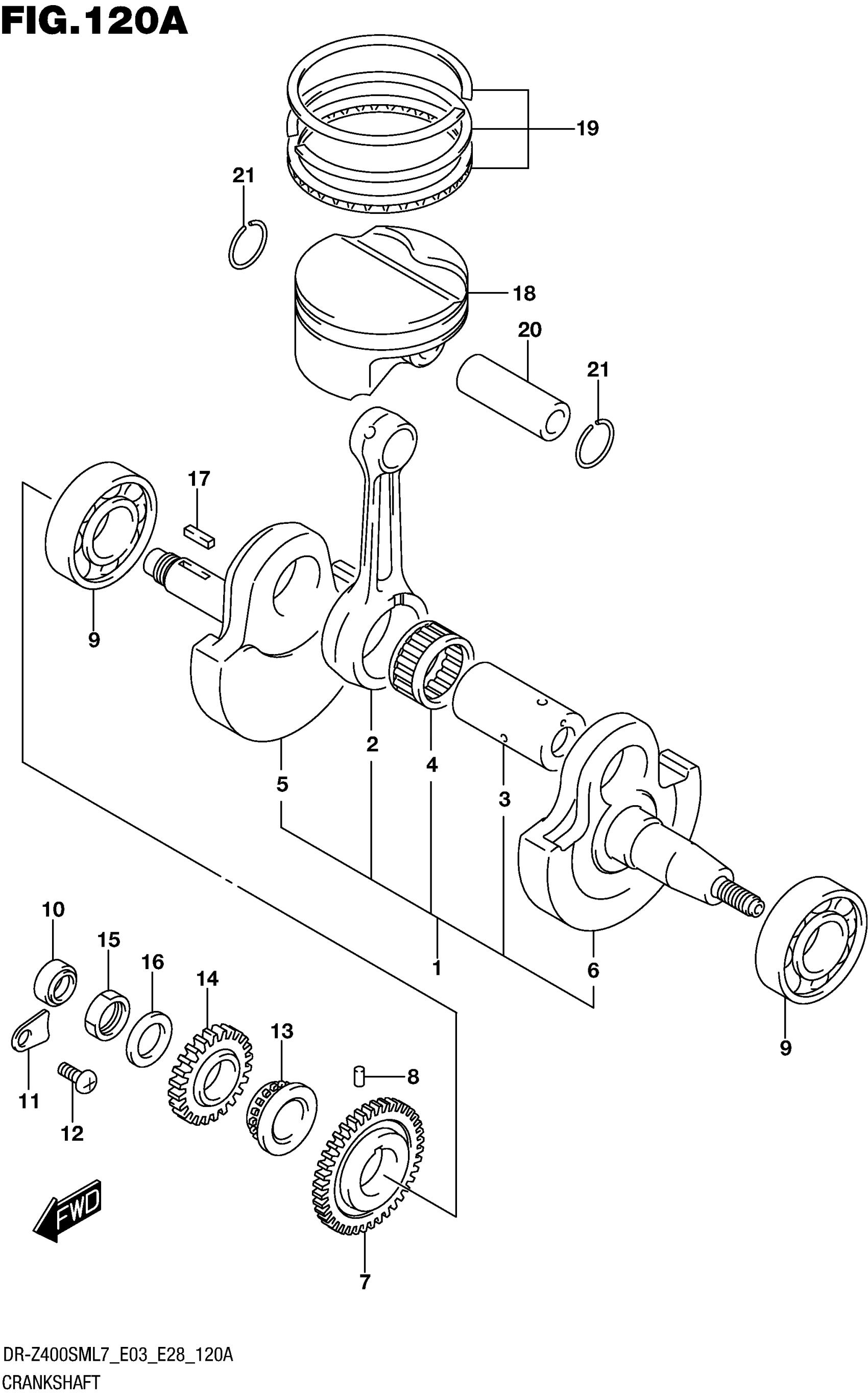
CRANKSHAFT
Suzuki DR-Z400SML7 (2017) CRANKSHAFT Diagram
#
Description
Price
5
.CRANKSHAFT, RH
12221-07G01
Unavailable
6
.CRANKSHAFT, LH
12261-07G00
Unavailable
