- Partiron
- OEM Parts
- Suzuki
- Motorcycle
- 2024
- DR-Z400SM4 (2024)
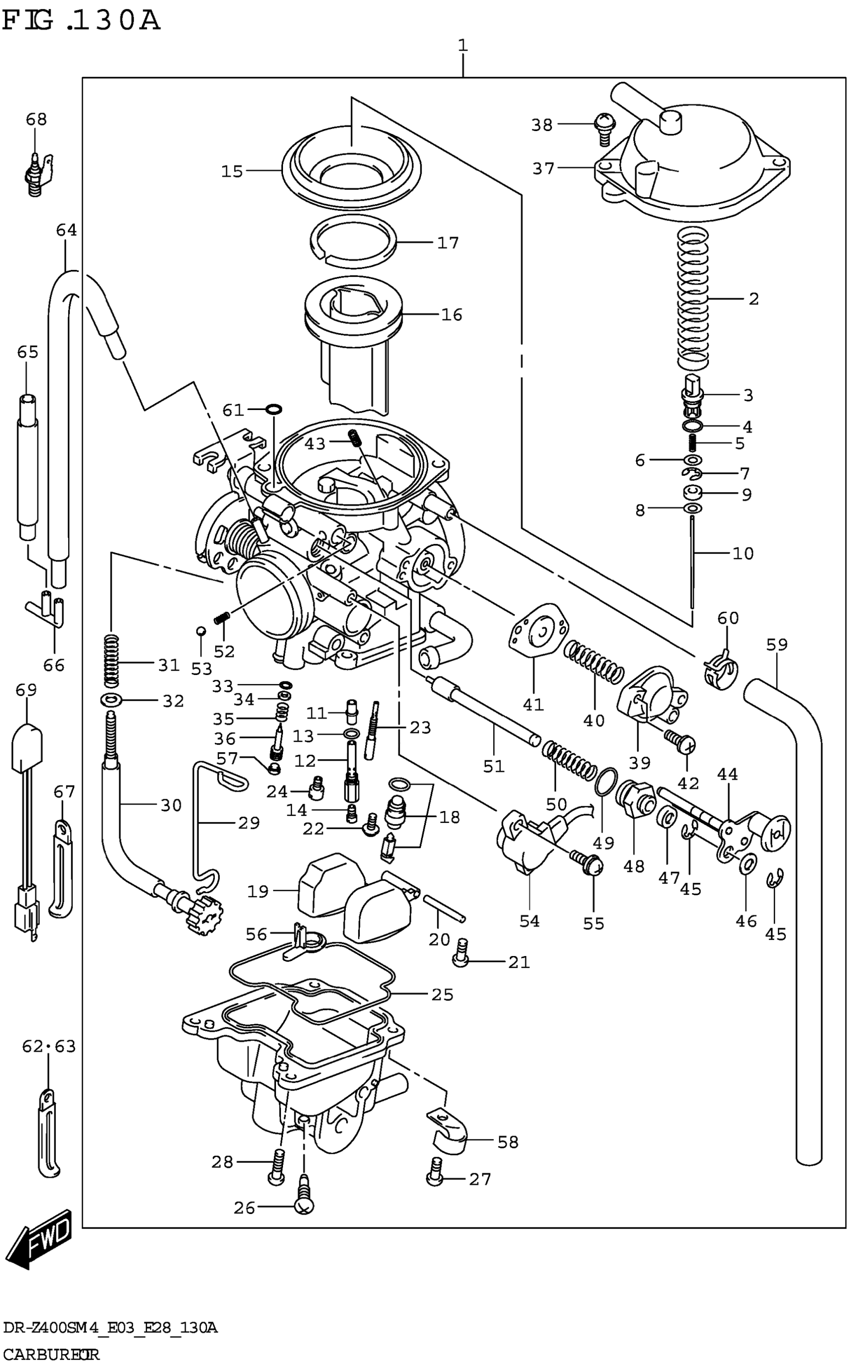
CARBURETOR (E03 E28)
Suzuki DR-Z400SM4 (2024) CARBURETOR (E03 E28) Diagram
#
Description
Price
43
.JET PILOT AIR (115)
09493-23003
Unavailable
