- Partiron
- OEM Parts
- Suzuki
- Motorcycle
- 2023
- DR-Z400SM3 (2023)
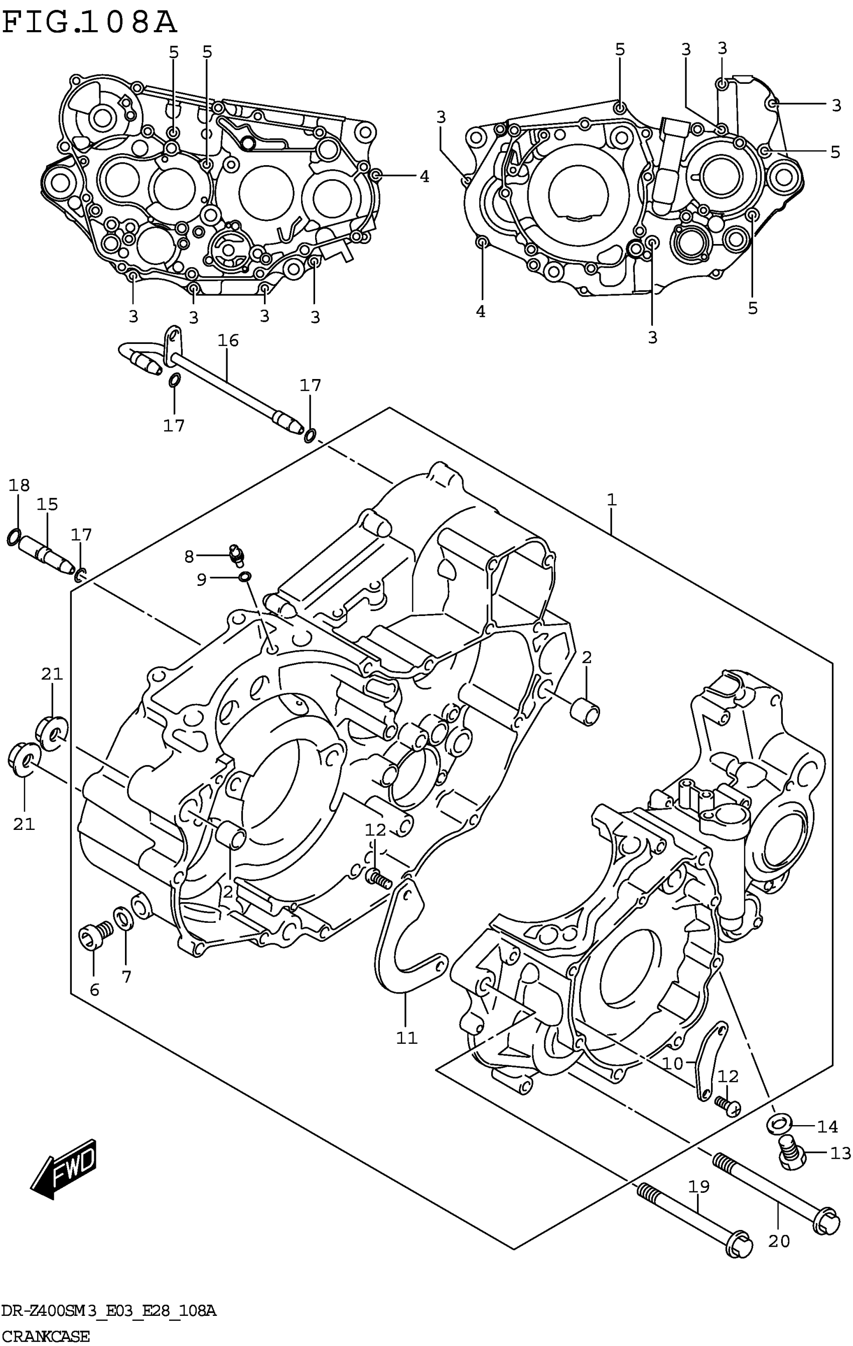
CRANKCASE
Suzuki DR-Z400SM3 (2023) CRANKCASE Diagram
#
Description
Price
15
PIPE OIL INNER NO.1
11451-29F00
Unavailable
CRANKCASE
#
15
11451-29F00
Unavailable
Edit ride
