Partiron

Suzuki DR-Z400SM3 (2023) CLUTCH Diagram

#

Description
Price

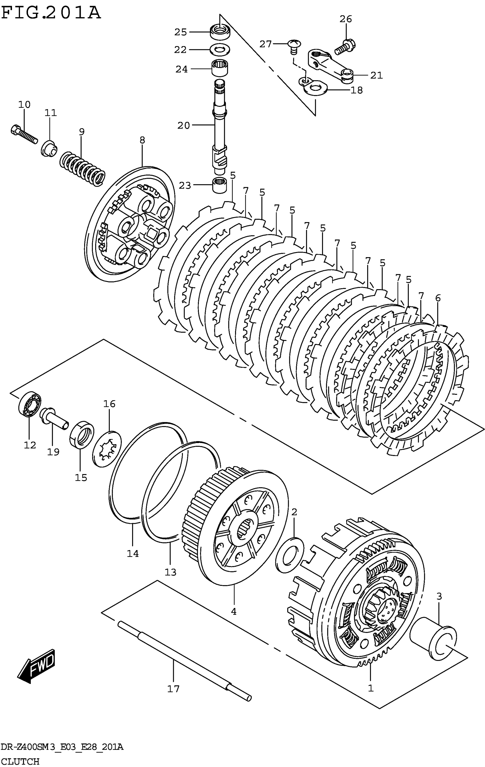
1

GEAR ASSY PRIMARY DRIVEN (NT: | (NT:74/16)

21200-29F10

$406.35

2

WASHER

08211-22425

$5.83

3

SPACER PRIMARY DRIVEN GEAR

21251-29F00

$53.18

4

HUB CLUTCH SLEEVE

21410-29F00

$143.92

5

PLATE CLUTCH DRIVE NO.1 (T:3. | (T:3.0)

21441-29F00

$22.80

6

PLATE CLUTCH DRIVE NO.2 (T:3. | (T:3.0)

21442-29F00

$22.80

7

PLATE,CLUTCH DRIVEN (T:1.6)

21451-44D00

$11.28

8

DISC CLUTCH PRESSURE

21462-29F00

$62.80

9

SPRING CLUTCH

21413-29F00

$6.68

10

BOLT

07130-0630A

$3.72

11

WASHER

21414-29F00

$6.25

12

BEARING (12X28X8)

09262-12001

$18.47

13

WASHER (112X122X1)

09160-00003

$10.34

14

WASHER (113X122X2.3)

09164-00008

$18.59

15

NUT

09140-20001

$3.37

16

WASHER LOCK (22X42X0.8)

09167-22021

$1.78

17

ROD CLUTCH PUSH

23110-29F00

$23.48

18

RETAINER, CL RLSE OIL SEAL

23117-05200

$5.13

19

PIECE CL PUSH

23121-29F00

$26.12

20

CAMSHAFT CLUTCH RELEASE

23122-29F00

$48.37

21

ARM CLUTCH RELEASE

23271-20902

$29.60

22

SHIM (10X20X1)

09181-10195

$1.99

23

BEARING (10X14X10)

09263-10014

$13.52

24

BEARING (12X16X10)

09263-12024

$12.67

25

SEAL,OIL (10X20X6)

09282-10012

$7.98

26

BOLT

01547-0616A

$2.03

27

SCREW

02142-0610A

$1.49