Partiron

Suzuki DR-Z400SM1 (2021) STARTING MOTOR Diagram

#

Description
Price

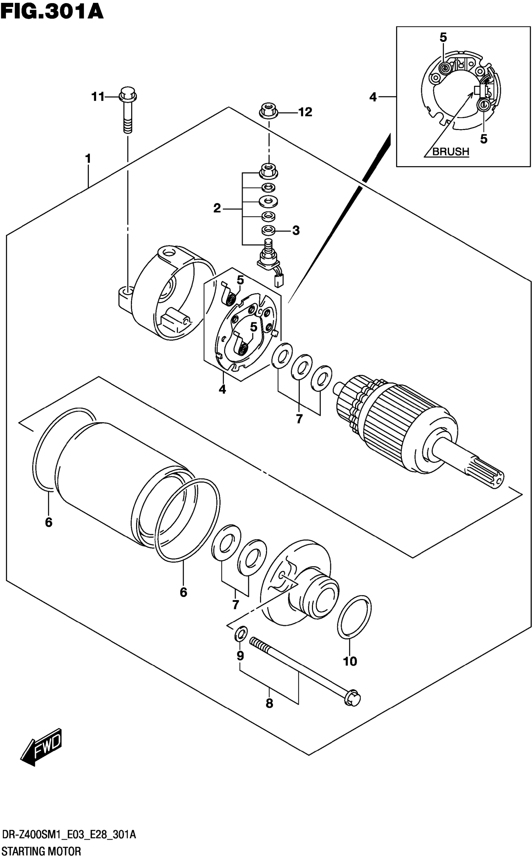
1

MOTOR ASSY STARTING

31100-29F00

$448.53

2

.BRUSH TERMINAL SET

31130-13E00

$44.18

3

.O-RING

31143-49040

$3.71

4

.BRUSH HOLDER SET

31132-13E00

$56.75

5

..SPRING, BRUSH

31135-31300

$4.96

6

.O RING

31264-13E00

$6.68

7

.WASHER SET

31170-19B10

$12.57

8

.BOLT SET

31280-19F00

$20.45

9

..O RING

31156-13E00

$4.35

10

.O-RING (D:3,ID:24.5)

09280-24003

$1.55

11

BOLT

01547-0625A

$2.01

12

NUT

08361-3506A

$1.80