Partiron

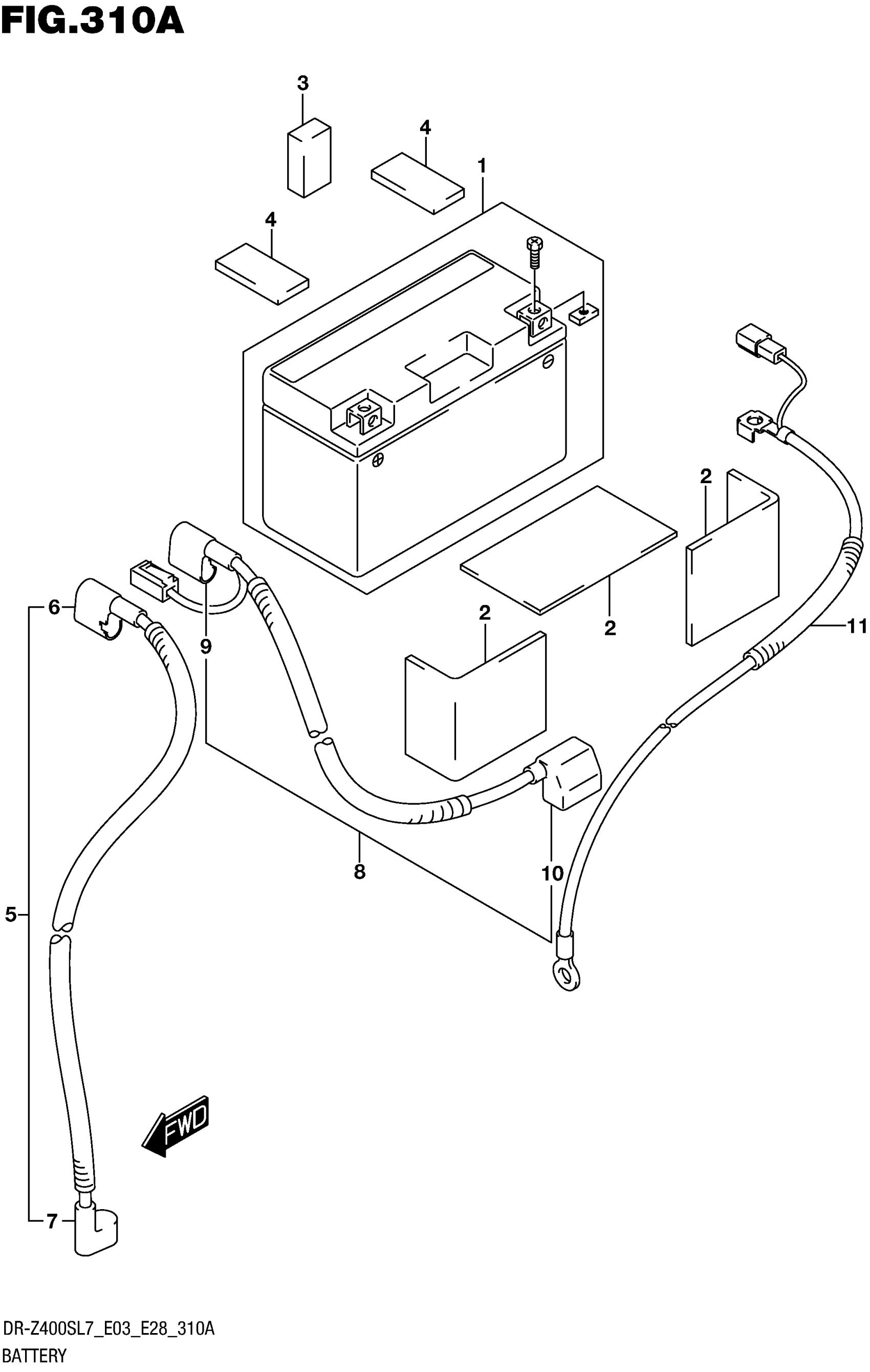
Suzuki DR-Z400SL7 (2017) BATTERY Diagram

#

Description
Price

1

BATTERY ASSY (XT7B-BS, 12V6AH

33610-29F20

$105.06

2

PROTECTOR, BATTERY | CUT AS REQUIRED

33651-37000

$4.48

2

(170X95X3)

33651-37000

$4.48

3

CUSHION, REAR FENDER REAR | CUT AS REQUIRED This part replaces 33652-08420.

33651-37000

$4.48

3

CUSHION, REAR FENDER REAR This part replaces 33652-08420.

33651-37000

$4.48

4

PROTECTOR, BATTERY | CUT AS REQUIRED

51553-15D40

$7.18

4

(50X42X2)

51553-15D40

$7.18

5

WIRE, STARTER MOTOR LEAD

33810-29F00

$62.07

6

.CAP, STARTER RELAY

31861-29F00

$7.63

7

.CAP, STARTER MOTOR

31861-29F20

Unavailable

8

WIRE, BATTERY PLUS LEAD

33820-29F00

$65.18

9

.CAP, STARTER RELAY

31861-29F10

$7.35

10

.CAP, BATTERY PLUS

33624-29F00

$6.55

11

WIRE, BATTERY MINUS LEAD

33860-29F00

$50.10