Partiron

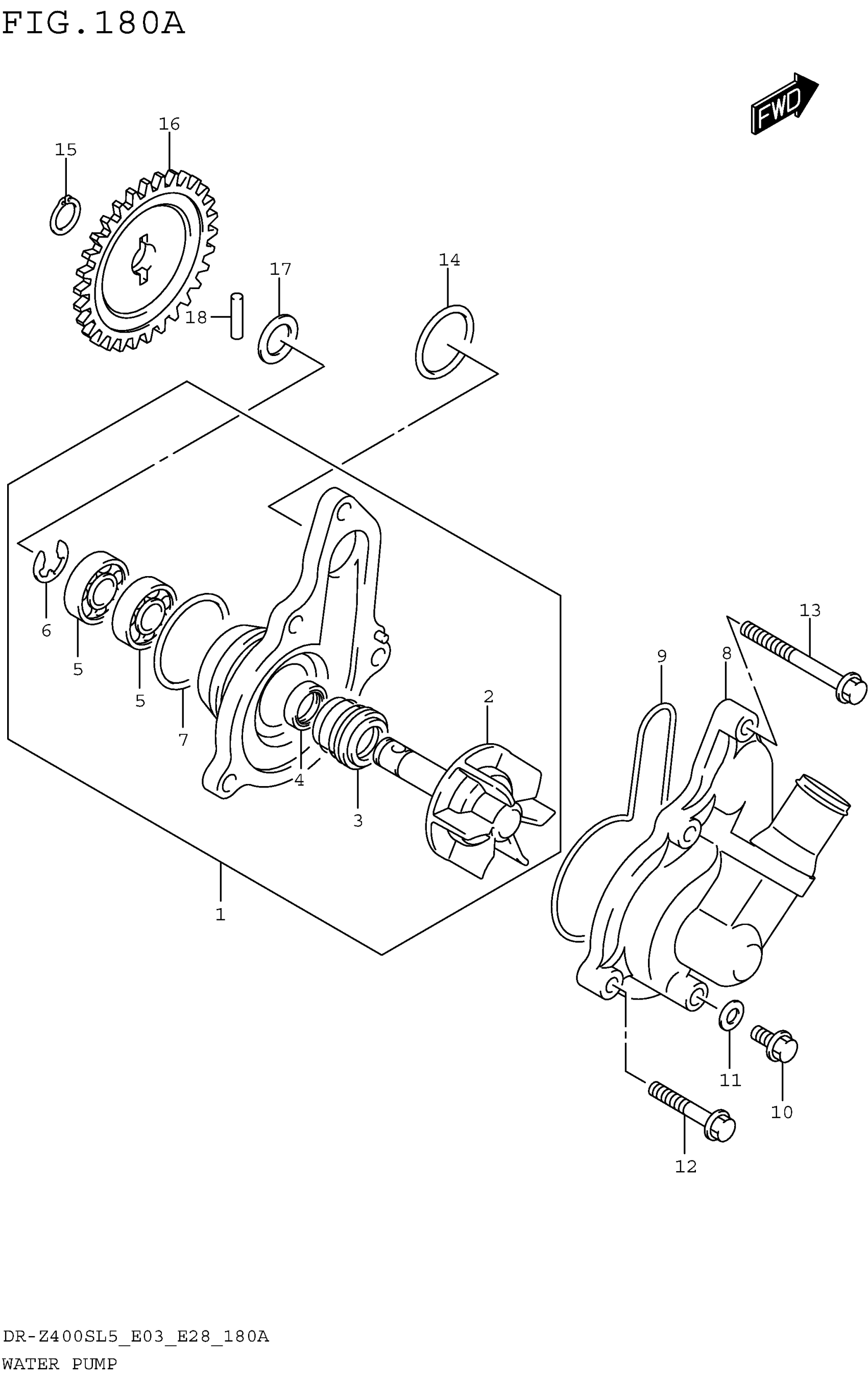
Suzuki DR-Z400SL5 (2015) WATER PUMP Diagram

#

Description
Price

1

PUMP ASSY WATER This part replaces 17400-29F10.

17400-29F11

$115.58

2

IMPELLER SHAFT

17491-29F10

$55.42

3

.SEAL,MECHANICAL This part replaces 17470-02F10.

17470-02F11

$29.22

4

.SEAL OIL (10X21X5)

09283-10004

$4.96

5

BEARING

08110-69000

$19.23

6

.E-RING

08332-1108A

$1.78

7

.O-RING

17435-33400

$15.29

8

CASE, WATER PUMP

17410-29F21

$101.87

9

O RING

17435-29F00

$10.23

10

BOLT

01547-0610A

$2.45

11

GASKET (6.4X11.5X0.8)

09168-06026

$3.10

12

BOLT (6X30)

09103-06204

$2.82

13

BOLT (6X45)

09103-06209

$3.30

14

.O-RING (D:2.4,ID:21.8)

09280-22001

$1.65

15

CIRCLIP

08331-31109

$1.78

16

GEAR, WATER PUMP DRIVEN (NT:30)

17461-29F00

$35.76

17

SHIM (10X18X0.5)

09181-10158

$1.97

18

PIN (4X18.5)

09261-04001

$1.72