- Partiron
- OEM Parts
- Suzuki
- Motorcycle
- 2015
- DR-Z400SL5 (2015)
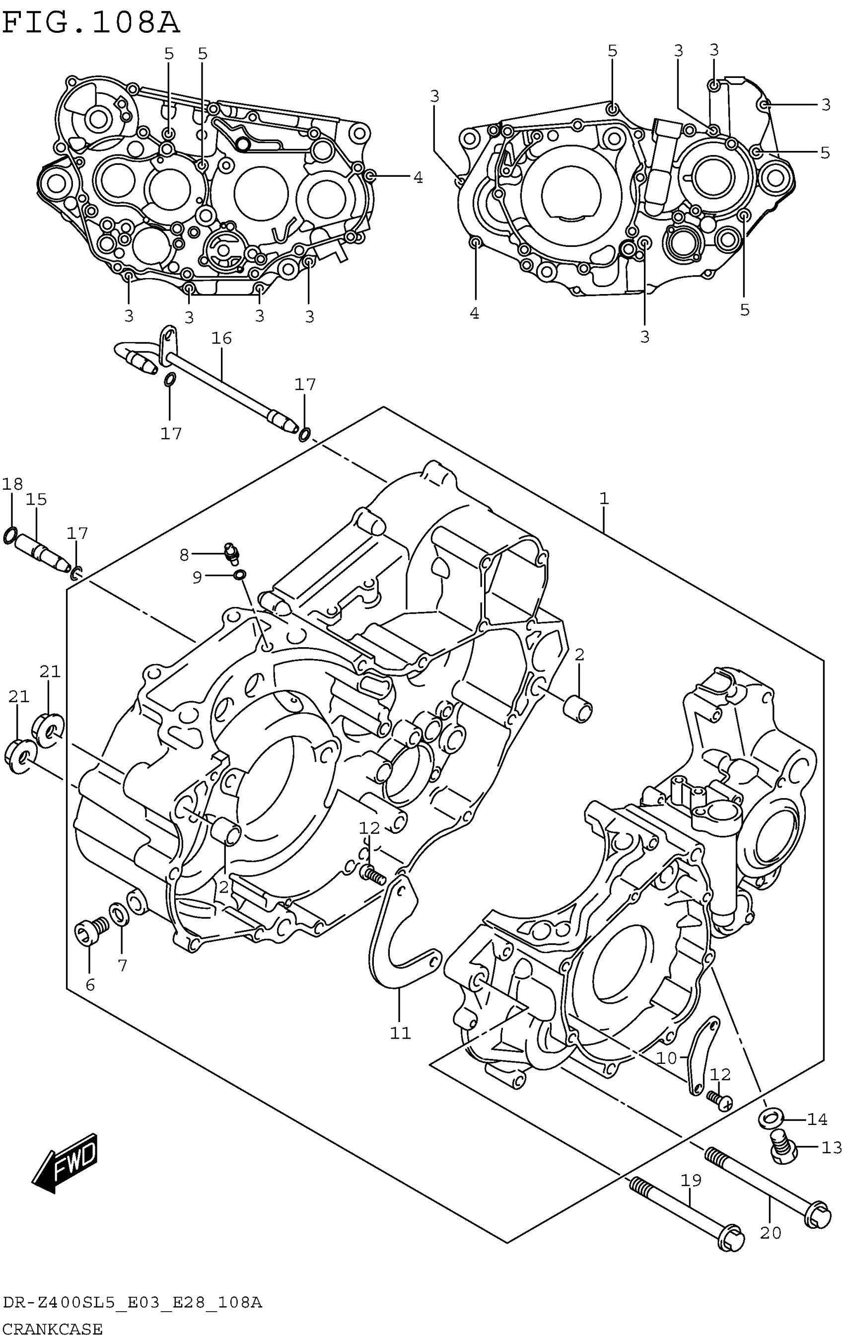
CRANKCASE
Suzuki DR-Z400SL5 (2015) CRANKCASE Diagram
#
Description
Price
15
PIPE, OIL INNER NO.1
11451-29F00
Unavailable
CRANKCASE
#
15
11451-29F00
Unavailable
Edit ride
