- Partiron
- OEM Parts
- Suzuki
- Motorcycle
- 2007
- DR-Z400E (2007)
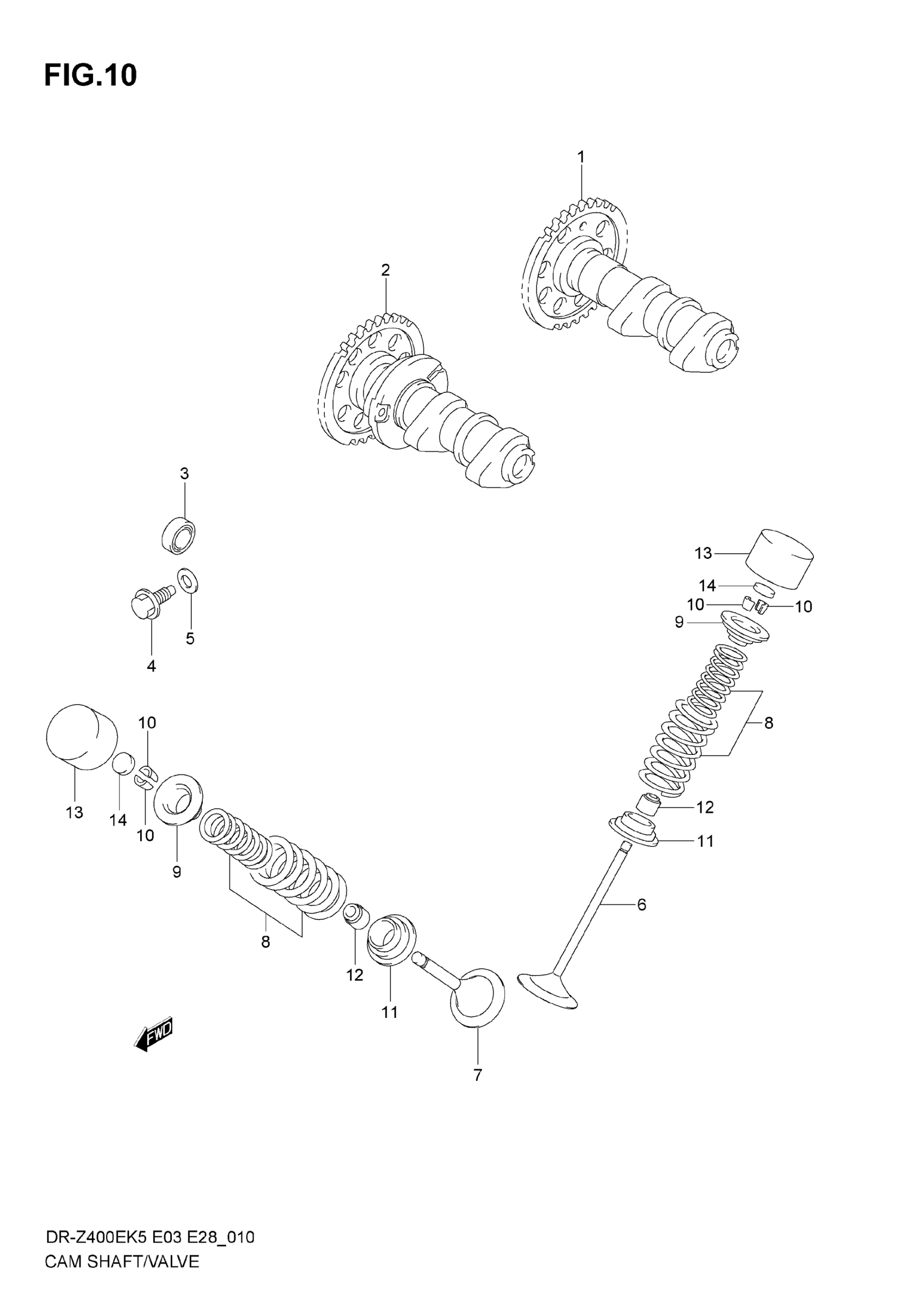
CAMSHAFT - VALVE
Suzuki DR-Z400E (2007) CAMSHAFT - VALVE Diagram
#
Description
Price
14
SHIM, TAPPET (T:3.15)
12892-41C00-315
Unavailable
14
SHIM, TAPPET (T:3.45)
12892-41C00-345
Unavailable
15
SHIM SET, TAPPET INC.REF.NO.18-5%18-25 (5PCS.EACH) & NO.20 | OPT NOT SHOWN; Includes Item(s) 16
12800-41810
$1,138.37
16
CASE, TAPPET SHIM | OPT NOT SHOWN
99000-69471
Unavailable
